快盈v3

上海川沪阀门有限公司
四氟密封法兰蝶阀图片

四氟密封法兰蝶阀 型号:D341X/D341F/D341J

快盈v3 四氟密封法兰蝶阀是由蜗轮箱和蝶阀组成,连接方式为对夹连接。选用不同的密封介质可以适用于不同的场合和温度,蝶阀具有结构紧凑、重量、密封性能好等特点,广泛适用于液体、粉体和气体场合。适用于行业:化工和石油化工、水处理和污水处理技术气体处理技术、造船、能源工程、食品工业、市政工程、无硅表面喷漆处理、新能源锂电行业等行业。

执行机构选型
快盈v3 四氟密封法兰蝶阀通过支架和联轴器和电动执行机构和气动执行机构连接,组成,电动对夹蝶阀(开关型和调节型控制信号4-20mA)和气动对夹蝶阀(开关型和调节型控制信号4-20mA)

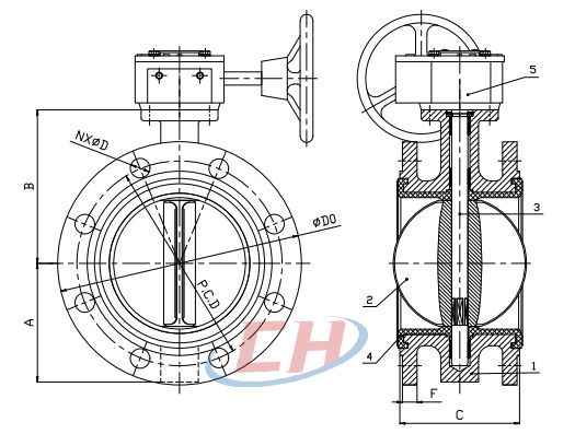
四氟密封法兰蝶阀 零部件参数

序号 零件名称 材料
1 阀体
QT450
2 阀板
DI
3 阀轴 SS416
4 阀座 EPDM/NBR
5
手动头
总成

四氟密封法兰蝶阀 可选配材质

名称 材质
阀体
球墨铸铁 DI、GGG40
铸钢 WCB
奥氏体不锈钢 CF8/CF8M/CF3M
铝合金 ADC12、YL113
铝青铜 C95400、C95800
双相不锈钢 1.4529、1.4469、2507、2205
阀板
球墨铸铁 DI、GGG40
双相不锈钢 1.4529、1.4469、2507、2205
奥氏体不锈钢 CF8/CF8M/CF3M
铝青铜 C95400、C95800
表面处理涂层 ETFE、ECTFE、碳化钨、陶瓷、尼龙
表面衬层 EPDM、PTFE、FKM、NBR
表面处理 电解抛光、镜面抛光
阀座
聚四氟乙烯 PTFE
丁腈橡胶 NBR
氟橡胶 FKM
聚氨酯橡胶 PU
三元乙丙橡胶 EPDM
聚全氟乙丙烯 F46
食品级橡胶 EPDM-SP
硅橡胶 SI
天然胶 NR

四氟密封法兰蝶阀 性能参数

上法兰标准
ISO 5211或国标90°
连接管道法兰标准
GB/T 9113 PN10/PN16.
公称压力 1.0MPa、1.6MPa
壳体试验压力 1.5MPa、2.4MPa
密封试验压力 1.0MPa、1.76MPa

四氟密封法兰蝶阀 结构图

四氟密封法兰蝶阀结构图

四氟密封法兰蝶阀 安装尺寸

通径DN A B C φD0 P.C.D NxφD
通径DN A B C φD0 P.C.D NxφD
DN50(2") 65 124 108 165 φ125 4×φ19 45°
DN65(2.5") 70 134 112 185 φ145 4×φ19 45°
DN80(3") 90 139 114 200 φ160 8xφ19 22.5°
DN100(4") 100 150 127 220 φ180 8xφ19 22.5°
DN125(5") 115 172 140 250 φ210 8xφ19 22.5°
DN150(6") 130 181 140 285 φ240 8xφ23 22.5°
DN200(8*) 170 217 152 340 φ295 8xφ23 22.5°
12xφ23 15°
DN250(10") 200 254 165 395 φ350 12xφ23 15°
405 φ355 12xφ28
DN300(12") 220 282 178 445 φ400 12xφ23 15°
460 φ410 12×φ28
DN350(14°) 245 330 190 505 φ460 16xφ23 11.25°
520 φ470 16xφ28
DN400(16") 285 350 216 565 φ515 16xφ28 11.25°
580 φ525 16×φ31
DN450(18") 335 393 222 615 φ565 20xφ28
640 φ585 20xφ31
DN500(20*) 390 440 229 670 φ620 20xφ28
715 φ650 20xφ34
DN600(24") 435 535 267 780 φ725 20xφ31
840 φ770 20xφ37
DN700(28") 450 570 292 895 φ840 24xφ31 7.5°
910 φ840 24xφ37
DN800(32") 565 700 318 1015 φ950 24×φ34 7.5°
1025 φ950 24xφ40
DN900(36") 620 760 330 1115 φ1050 28xφ37 6.43°
1125 φ1050 28xφ40
DN1000(40*) 705 820 410 1230 φ1160 28xφ37 6.43°
1255 φ1170 28xφ43
DN1200(48*) 810 924 470 1455 φ1380 32xφ40 5.62°
1485 φ1390 32xφ49
由于产品改进技术创新参数可能有一定变化,公司不另行通知,请联系我司和索要四氟密封法兰蝶阀产品详细样本。
  • 蝶阀
  • 蝶阀
    蝶阀(材质不锈钢、对夹连接、橡胶密封、带手柄)
  • 蝶阀
  • 蝶阀
    蝶阀(材质碳钢、对夹连接、四氟密封、带手柄)
  • 粉体蝶阀
  • 蝶阀
    粉体蝶阀(材质铝合金、法兰连接、橡胶密封、带手柄)
  • 蝶阀
  • 蝶阀
    蝶阀(材质碳钢、法兰连接、橡胶密封、带手柄和手轮)
  • 对夹式通风蝶阀
  • 蝶阀
    对夹式通风蝶阀(阀体材质碳钢、对夹连接、带蜗轮箱)
  • 法兰式通风蝶阀
  • 蝶阀
    法兰式通风蝶阀(阀体材质碳钢、法兰连接、带蜗轮箱)
  • 对夹蝶阀
  • 蝶阀
    对夹蝶阀(阀体材质碳钢、橡胶密封、对夹式)
  • 信号蝶阀
  • 蝶阀
    信号蝶阀(阀体材质碳钢、橡胶密封、带信号、带蜗轮箱)
  • 三偏心蝶阀
  • 蝶阀
    三偏心蝶阀(材质碳钢、金属硬密封、法兰连接、带蜗轮箱)
  • 伸缩蝶阀
  • 蝶阀
    伸缩蝶阀(阀体材质碳钢、法兰连接、带伸缩节、带蜗轮箱)

软密封蝶阀 订货流程

  • 客户来电咨询:021-5186 3046
  • 客户采购清单传真至:021-5186 3049
  • 收到客户采购清单,为客户提供阀门型号选型与报价单

软密封蝶阀 订货须知

  • 公称通径
  • 公称压力
  • 连接方式
  • 执行机构有无特殊要求(可以根据客户要求配置)
  • 工艺介质及状态
  • 阀前压力、阀后压力
  • 大、正常、小流量
  • 使用温度
  • 有无特殊要求
快盈v3