法兰式衬F4蝶阀是在过流部件、阀体、蝶板、阀杆上采用衬里技术衬里较厚的高分子材料,防腐蚀性能优良,可适用于任何浓度的酸、碱、盐及氧化剂、还原剂、有机溶剂等介质,全衬聚四氟乙烯(F4)和聚全氟乙丙烯(F46)氣塑料衬里煤阀,具有耐腐蚀、无泄漏、寿命长等优点。耐腐蚀气动蝶阀适用于浓硫酸、盐酸、硝酸、氢氟酸、王水、各种有机酸、强酸、氧化性介质或高温烯硫酸、高温浓醋酸、酸碱交替及多种有机溶剂和其它强腐蚀性介质。
执行机构选型
快盈v3
法兰式衬F4蝶阀通过支架和联轴器和电动执行机构和气动执行机构连接组成电动蝶阀(开关型和调节型控制信号4-20mA)和气动蝶阀(开关型和调节型控制信号4-20mA)
| 序号 No |
零件名称 Part Name |
精铸球墨铸铁 Precision casting ductie iron |
碳钢Carbon Steel | 不锈钢Stainless Steel | |||
|---|---|---|---|---|---|---|---|
| QT | C | P | R | PL | RL | ||
| 1 | 上、下阀体 Upper and lower valve body |
QT400 | WCB | CF 8 | CF 8M | CF 3 | CF 3M |
| 2 | 蝶板Butterfiy plate | WCB | WCB | CF 8 | CF 8M | CF 3 | CF 3M |
| 3 | 阀轴Valve shaft | 1Cr13、40Cr 2Cr13、40Cr 1Cr18Ni9Ti、40Cr 1Cr18N12Ti、40Cr00Cr18Ni10、40Cr00Cr17Ni14M02、40Cr | |||||
| 4 | 衬里层/阀座 lining layer/valve seat |
PTFE(F4)、FEP(F45)PFA(可溶SolubleF4)、PO(聚烯烃Polyolefin) | |||||
| 5 | O型圈O-rings | FEP+FPM(氟橡胶外包Fluorine rubber outsourcing F46) | |||||
| 6 | 弹性条(垫)Elastic mat | Si(硅橡胶Silicone rubber) | |||||
| 7 | 调节垫Adjust the pad | 0Cr18Ni9 | 0Cr18Ni9 | 1Cr18Ni9Ti | 1Cr18Ni12M02Ti | 00Cr18Ni10 | 00Cr18Ni14Mo2 |
| 8 | 螺栓Bolt | 35 | 35 | 1Cr17Ni2 | 1Cr17Ni2 | 1Cr18Ni9Ti | 1Cr18Ni9Ti |
| 9 | 螺母Not | 45 | 45 | 0Cr19Ni9 | 0Cr18Ni9 | 0Cr18Ni9 | 0Cr18Ni9 |
| 10 | 手柄Hand Shank | A3、Z | |||||
(1)聚四氟乙烯PTFE(F4)
适用介质:任何有机溶剂或试剂=稀或浓无机酸、碱、醇、酮、芳烃、氯化烃等。工作温度:≤200℃。
特点:PTFE耐高温性能好,可在-250℃-260℃温度内长期使用耐磨性能好,静摩擦系数是塑料中最小的,自润滑性能优良;电绝缘性能优异,并且不受工作环境、温度和频率的影响,具有良好的耐电弧性,耐化学腐蚀性优良,除在高温、高压下氟元素和熔触状态的碱金属对它有侵蚀作用,某些卤化胺或芳香烃使其有轻微的膨胀外,其它诸如强酸、强碱、强氧化剂、油脂、酮、醚、醉等即使在高温下也对它不起作用。
快盈v3(2)聚全氟乙丙烯FEP(F46)
适用介质:任何有机溶剂或试剂、稀或轰无机酸、碱、酮、芳烃、氯化烃等。工作温度≤200℃。
特点:力学、电性能和化学稳定性基本与F4相同,但突出优点是冲击韧性高。即使带缺口试样也冲不断,有极好的耐侯和辐射性,易于成型加工,是为了克服聚四氟乙烯成型加工困难而发展的一中含氟树脂,除使用温度低于F4外,其它都保持了聚四氟乙烯的优良性能。
(3)可溶性聚四氟乙烯(PFA)
适用介质:强酸、强碱、强氟化剂、有机溶剂等。工作温度≤180℃。特点:类似F46的一中新型含氟树脂,是为了克服聚四氟乙烯加工成型困难而发展的一个新品种,完全保持了聚四氟乙烯的优良性能,良好的机械、点绝缘性能,突出耐热性和低摩擦性能、难燃、低烟、耐大气性好。最大的优点是容易成型加工。
快盈v3(4)聚三氟乙烯PCTFE(F3)
快盈v3适用介质:各种有溶剂、无机腐蚀液(氧化剂酸类),工作温度≤120℃。特点:耐热性、电性能化学稳定性仅次于F4,机械强度、抗蠕性能、硬度比F4好。
快盈v3(5)聚二氟乙烯PCTFE(F2)
适用介质:各耐大多数化学介质和溶剂。工作温度≤120℃。
特点:拉伸强度和压缩强度比F4好,耐磨损和冷流性好;耐候、耐辐射和抗老化等,而最大特点是粘结力大,韧性好,易成型。
快盈v3(6)增强性聚丙烯(FRPP)
快盈v3适用介质:无机盐类的水溶液、无机酸类、碱类的稀或浓溶液。工作温度≤120℃特点:是最轻的塑料之一,其屈服、拉伸和压缩强度、硬度均优于低压聚乙烯,有很突出的钢性,耐热性好,易成型。改性后冲击性、流动性、弯曲弹性模数高。
快盈v3(7)改性聚烯烃(PO)
适用介质:各种浓度的酸、碱盐及某些有机溶剂。工作温度≤110℃
快盈v3
特点:是目前世界上最理想的防腐蚀、防静电、无毒害、强度高的优质材料,已广泛旋转成型的大型设备和阀门管道作内衬。广泛应用于化工、冶金、食品、纺织等行业。
(8)超高分子量聚集乙烯(UHMW-PE)
适用介质:能耐腐蚀性介质(酸、碱、盐,但氧化性酸除外)及有机溶剂。工作温度:≤100℃。特点:具有突出耐磨性、低磨擦系数和自润滑性;优良的耐应力开裂性、耐高温蠕变性;优良的拉伸强度,极高的冲击强度。具有卓越的化学稳定性;表面无吸附力,电绝缘性优良;无毒性等综合能。
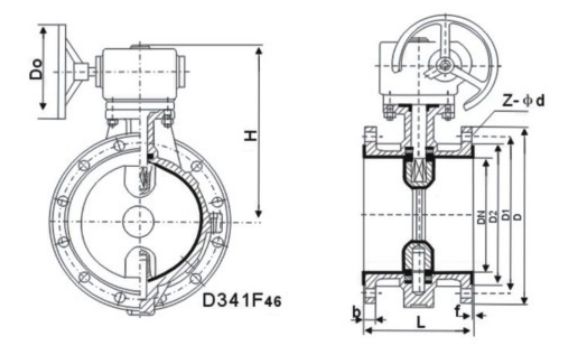
| 公称通径 Nominal ameter |
主要尺寸Main Dimensions | 参考值Reference | |||||||||||||||
|---|---|---|---|---|---|---|---|---|---|---|---|---|---|---|---|---|---|
| L | D | D1 | D2 | f | b | Z- φd | L | D | D1 | D2 | f | b | Z- φd | Do | H | ||
| mm | Inch | PN0.6MPa | PN1.0MPa | ||||||||||||||
| 40 | 11/2 | 106 | 130 | 100 | 80 | 3 | 17 | 4-14 | 106 | 150 | 110 | 85 | 3 | 19 | 4-18 | 150 | 140 |
| 50 | 2 | 108 | 140 | 110 | 90 | 3 | 17 | 4-14 | 108 | 165 | 125 | 100 | 3 | 21 | 4-18 | 150 | 140 |
| 65 | 21/2 | 112 | 160 | 130 | 110 | 3 | 17 | 4-14 | 112 | 185 | 145 | 120 | 3 | 21 | 4-18 | 150 | 150 |
| 80 | 3 | 114 | 190 | 150 | 125 | 3 | 19 | 4-18 | 114 | 200 | 160 | 135 | 3 | 21 | 8-18 | 150 | 165 |
| 100 | 4 | 127 | 210 | 170 | 145 | 3 | 19 | 4-18 | 127 | 220 | 180 | 155 | 3 | 23 | 8-18 | 200 | 180 |
| 125 | 5 | 140 | 240 | 200 | 175 | 3 | 20 | 8-18 | 140 | 250 | 210 | 185 | 3 | 23 | 8-18 | 200 | 200 |
| 150 | 6 | 140 | 265 | 225 | 200 | 3 | 21 | 8-18 | 140 | 285 | 240 | 210 | 3 | 25 | 8-23 | 280 | 220 |
| 200 | 8 | 152 | 320 | 280 | 255 | 3 | 23 | 8-18 | 152 | 340 | 295 | 265 | 3 | 25 | 8-23 | 280 | 270 |
| 250 | 10 | 165 | 375 | 335 | 310 | 3.5 | 26 | 12-18 | 165 | 395 | 350 | 320 | 3.5 | 28 | 12-23 | 200 | 320 |
| 300 | 12 | 178 | 440 | 395 | 363 | 3.5 | 26 | 12-23 | 178 | 445 | 400 | 370 | 3.5 | 28 | 12-23 | 240 | 330 |
| 350 | 14 | 190 | 490 | 445 | 413 | 4 | 26 | 12-23 | 190 | 505 | 460 | 430 | 4 | 28 | 16-23 | 240 | 385 |
| 400 | 16 | 216 | 540 | 495 | 463 | 4 | 26 | 16-23 | 216 | 565 | 515 | 480 | 4 | 28 | 16-26 | 280 | 430 |
| 450 | 18 | 222 | 595 | 550 | 518 | 4 | 26 | 16-23 | 222 | 615 | 565 | 530 | 4 | 30 | 20-26 | 280 | 480 |
| 500 | 20 | 229 | 645 | 600 | 568 | 4 | 28 | 20-23 | 229 | 670 | 620 | 580 | 4 | 30 | 20-26 | 320 | 540 |
| 600 | 24 | 267 | 755 | 705 | 667 | 5 | 30 | 20-26 | 267 | 780 | 725 | 680 | 5 | 34 | 20-30 | 320 | 610 |
| 700 | 28 | 292 | 860 | 810 | 772 | 5 | 30 | 24-26 | 292 | 895 | 840 | 795 | 5 | 36 | 24-30 | 360 | 650 |
| 800 | 32 | 318 | 975 | 920 | 878 | 5 | 30 | 24-30 | 318 | 1015 | 950 | 900 | 5 | 38 | 24-33 | 360 | 710 |
| 900 | 36 | 330 | 1075 | 1020 | 980 | 5 | 32 | 24-30 | 330 | 1115 | 1050 | 1000 | 5 | 40 | 28-33 | 380 | 780 |
| 1000 | 40 | 410 | 1175 | 1120 | 1080 | 5 | 32 | 28-30 | 410 | 1230 | 1160 | 1115 | 5 | 42 | 28-36 | 400 | 900 |
| 1200 | 48 | 470 | 1405 | 1340 | 1295 | 5 | 32 | 32-33 | 470 | 1455 | 1380 | 1330 | 5 | 44 | 32-39 | 400 | 1050 |
| mm | nch | PN1.6MPa | PN2.5MPa | ||||||||||||||
| 40 | 11/2 | 106 | 150 | 110 | 85 | 3 | 19 | 4-14 | 106 | 150 | 110 | 85 | 3 | 19 | 4-18 | 150 | 140 |
| 50 | 2 | 108 | 165 | 125 | 100 | 3 | 21 | 4-18 | 108 | 165 | 125 | 100 | 3 | 21 | 4-18 | 150 | 140 |
| 65 | 21/2 | 112 | 185 | 145 | 12 | 3 | 21 | 4-18 | 112 | 185 | 145 | 120 | 3 | 23 | 8-18 | 150 | 150 |
| 80 | 3 | 114 | 200 | 160 | 135 | 3 | 22 | 8-18 | 114 | 200 | 160 | 135 | 3 | 25 | 8-18 | 150 | 165 |
| 100 | 4 | 127 | 220 | 180 | 155 | 3 | 23 | 4-18 | 127 | 235 | 190 | 155 | 3 | 25 | 8-23 | 200 | 180 |
| 125 | 5 | 140 | 250 | 210 | 185 | 3 | 23 | 8-18 | 140 | 270 | 220 | 185 | 3 | 27 | 8-27 | 200 | 200 |
| 150 | 6 | 140 | 285 | 240 | 210 | 3 | 25 | 8-23 | 140 | 300 | 250 | 210 | 3 | 29 | 8-27 | 280 | 220 |
| 200 | 8 | 152 | 340 | 295 | 265 | 3 | 25 | 12-27 | 152 | 360 | 310 | 275 | 3 | 31 | 12-27 | 280 | 270 |
| 250 | 10 | 165 | 405 | 355 | 320 | 3.5 | 28 | 12-27 | 165 | 425 | 370 | 330 | 3.5 | 34 | 12-30 | 200 | 320 |
| 300 | 12 | 178 | 460 | 410 | 370 | 3.5 | 30 | 12-27 | 178 | 485 | 430 | 390 | 3.5 | 36 | 12-30 | 240 | 330 |
| 350 | 14 | 190 | 520 | 470 | 430 | 4 | 32 | 16-27 | 190 | 555 | 490 | 450 | 4 | 40 | 16-33 | 240 | 385 |
| 400 | 16 | 216 | 580 | 525 | 480 | 4 | 34 | 16-30 | 216 | 620 | 550 | 505 | 4 | 42 | 16-36 | 280 | 430 |
| 450 | 18 | 222 | 640 | 585 | 550 | 4 | 42 | 20-30 | 222 | 670 | 600 | 550 | 4 | 48 | 20-36 | 280 | 480 |
| 500 | 20 | 229 | 715 | 650 | 610 | 5 | 42 | 20-33 | 229 | 730 | 660 | 610 | 4 | 48 | 20-36 | 320 | 540 |
| 600 | 24 | 267 | 840 | 770 | 720 | 5 | 48 | 20-36 | 267 | 320 | 610 | ||||||
| 700 | 28 | 292 | 910 | 840 | 759 | 5 | 48 | 24-36 | 292 | 360 | 650 | ||||||
| 800 | 32 | 318 | 1025 | 950 | 900 | 5 | 48 | 24-39 | 318 | 360 | 740 | ||||||
| 900 | 36 | 330 | 1125 | 1050 | 1000 | 5 | 50 | 28-39 | 330 | 380 | 780 | ||||||
| 1000 | 40 | 410 | 1255 | 1170 | 1110 | 5 | 50 | 28-42 | 410 | 400 | 900 | ||||||
| 1200 | 48 | 470 | 1485 | 1390 | 1330 | 5 | 50 | 32-48 | 470 | 400 | 1050 | ||||||