快盈v3

上海川沪阀门有限公司
通风蝶阀图片

通风蝶阀 型号:D341W

快盈v3 通风蝶阀采用与阀体相同材料加工成密封圈,通风蝶阀适用温度随阀体选材而定,公称压力≤0.5MPa,本通风蝶阀设计合理,力矩小,操作方便,启闭迅速,重量轻、价格便宜。通风蝶阀一般适用于工业、冶金、环保等管道作通风调节介质流量之用。

执行机构选型
快盈v3 通风蝶阀通过支架和联轴器和电动执行机构和气动执行机构连接,组成,电动通风蝶阀(开关型和调节型控制信号4-20mA)和气动通风蝶阀(开关型和调节型控制信号4-20mA)

通风蝶阀 零部件参数

零件名称 材料
阀体 铸钢、不锈钢、铬镍钼钛钢、铬钼钛钢等特殊材料
蝶板 铸钢、不锈钢、铬镍钼钛钢、铬钼钛钢等特殊材料
密封圈 与阀体相同
阀杆 碳钢、2Cr13、不锈钢、铬镍钼钛钢
填料 氟塑料、柔性石墨

通风蝶阀 性能参数

公称通径 DN(mm) 50~2000
公称压力 PN(MPa) 0.05 0.25 0.6
试验压力 强度试验 0.075 0.375 0.9
密封试验 ≤1%泄漏量
适用介质 煤气、含尘气体、烟道气等。
驱动形式 手动、蜗杆蜗轮传动、气传动、电传动。

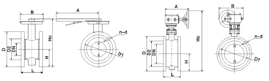
通风蝶阀 结构图

通风蝶阀结构图

通风蝶阀 安装尺寸

DN D D1 n-do C L 重量
D41 D341 D941
200 320 280 8-18 16 140 34 42 78
250 375 335 12-18 16 140 38 46 83
300 440 395 12-22 16 170 48 54 93
350 490 445 12-22 16 170 56 64 95
400 540 495 16-22 16 190 73 81 98
450 595 550 16-22 16 190 81 110 140
500 645 600 20-22 16 190 99 128 179
600 755 705 20-26 18 210 127 157 213
700 860 810 24-26 18 210 152 199 267
800 975 920 24-30 18 210 182 229 326
900 1075 1020 24-30 18 250 240 287 385
1000 1175 1120 28-30 18 250 383 430 528
1100 1275 1220 28-30 18 250   620 682
1200 1375 1320 32-30 18 250   765 827
1400 1575 1520 36-30 18 300   1188 1250
1600 1790 1730 40-30 22 300   1393 155
1800 1990 1930 44-30 22 300   1800 1865
2000 2190 2130 48-30 22 300   2130 2190
2100 2300 2240 52-33 22 300     2785
2200 2405 2340 52-33 26 350     3690
2400 2605 2540 56-33 26 350     4720
2600 2805 2740 60-33 26 350     5530
2800 3030 2960 64-36 26 400     6035
3000 3230 3160 68-36 26 400     6280
由于产品改进技术创新参数可能有一定变化,公司不另行通知,请联系我司和索要通风蝶阀产品详细样本。
  • 蝶阀
  • 蝶阀
    蝶阀(材质不锈钢、对夹连接、橡胶密封、带手柄)
  • 蝶阀
  • 蝶阀
    蝶阀(材质碳钢、对夹连接、四氟密封、带手柄)
  • 粉体蝶阀
  • 蝶阀
    粉体蝶阀(材质铝合金、法兰连接、橡胶密封、带手柄)
  • 蝶阀
  • 蝶阀
    蝶阀(材质碳钢、法兰连接、橡胶密封、带手柄和手轮)
  • 对夹式通风蝶阀
  • 蝶阀
    对夹式通风蝶阀(阀体材质碳钢、对夹连接、带蜗轮箱)
  • 法兰式通风蝶阀
  • 蝶阀
    法兰式通风蝶阀(阀体材质碳钢、法兰连接、带蜗轮箱)
  • 对夹蝶阀
  • 蝶阀
    对夹蝶阀(阀体材质碳钢、橡胶密封、对夹式)
  • 信号蝶阀
  • 蝶阀
    信号蝶阀(阀体材质碳钢、橡胶密封、带信号、带蜗轮箱)
  • 三偏心蝶阀
  • 蝶阀
    三偏心蝶阀(材质碳钢、金属硬密封、法兰连接、带蜗轮箱)
  • 伸缩蝶阀
  • 蝶阀
    伸缩蝶阀(阀体材质碳钢、法兰连接、带伸缩节、带蜗轮箱)

通风蝶阀 订货流程

  • 客户来电咨询:021-5186 3046
  • 客户采购清单传真至:021-5186 3049
  • 收到客户采购清单,为客户提供阀门型号选型与报价单

通风蝶阀 订货须知

  • 公称通径
  • 公称压力
  • 连接方式
  • 执行机构有无特殊要求(可以根据客户要求配置)
  • 工艺介质及状态
  • 阀前压力、阀后压力
  • 大、正常、小流量
  • 使用温度
  • 有无特殊要求
快盈v3