快盈v3

上海川沪阀门有限公司
全天候呼吸阀图片

全天候呼吸阀 型号:GFQ

全天候呼吸阀为阀座相互重叠的重力式结构。其特点是阀盘与阀座之间采用带空气垫的软接触,气密性好,不易结霜冻结,适宜于寒冷的地区使用。
全天候呼吸阀用于油及液体罐上,来排除罐内的正压和负压气体,使罐内液体进出方便.如罐体上不装呼吸阀罐内的液体进出有一定的障碍,很可能出现罐体变型和振动,该阀设计合理,结构简单,使用方便,是储罐的必备产品。 
快盈v3 全天候呼吸阀适用于储存闪点低于28 ℃的甲类油品和闪点低于60 ℃的乙类油品,如汽油、笨、甲笨、煤油、轻柴油、机油、原油等油品及性质相同的化工产品储罐。 全天候呼吸阀可与ZGB-1波纹储罐阻火器配套使用。如需要带阻火装置呼吸阀,请选用ZFQ-1防爆阻火呼吸阀。

全天候呼吸阀 技术参数

压力|等级 A B C D E
正压 +355Pa (+36毫米水柱) +665Pa (+68毫米水柱) +980Pa (+100毫米水柱) +1375Pa (+140毫米水柱) +1765Pa (+180毫米水柱)
负压 -295Pa (-30毫米水柱) -295Pa (-30毫米水柱) -295Pa (-30毫米水柱) -295Pa (-30毫米水柱) -295Pa (-30毫米水柱)

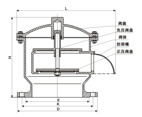
全天候呼吸阀 结构图

全天候呼吸阀结构图

全天候呼吸阀 外形尺寸

公称通径 (mm) 安装尺寸(mm)
D K L H n×φ
DN25 115 85 160 165 4×14
DN32 135 100 180 185 4×18
DN40 145 110 190 190 4×18
DN50 160 125 220 220 4×18
DN80 195 160 270 260 8×18
DN100 215 180 310 280 8×18
DN150 280 240 380 330 8×22
DN200 335 295 450 380 12×22
DN250 395 350 520 420 12×22
DN400 565 515 670 520 16×26

全天候呼吸阀 保养和维修

为了确保呼吸阀的性能达到完全使用的目的。呼吸阀在半年进行检查和保养。
1、检查压力阀盘和真空阀盘动作是否灵活,导杆阀环接触有无损伤。
2、重新安装压力阀盘时,要保证接触面严密,导杆升降灵活。
3、起用新的呼吸阀时,必须清除阀盘间的防震物,该阀一定要垂直安装。



由于产品改进技术创新参数可能有一定变化,公司不另行通知,请联系我司和索要全天候呼吸阀产品详细样本。

全天候呼吸阀 订货流程

  • 客户来电咨询:021-5186 3046
  • 客户采购清单传真至:021-5186 3049
  • 收到客户采购清单,为客户提供阀门型号选型与报价单

全天候呼吸阀 订货须知

  • 公称通径
  • 公称压力
  • 连接方式
  • 执行机构有无特殊要求(可以根据客户要求配置)
  • 工艺介质及状态
  • 阀前压力、阀后压力
  • 大、正常、小流量
  • 使用温度
  • 有无特殊要求
快盈v3

  • 全天候呼吸阀
  • 呼吸阀
    全天候呼吸阀(材质不锈钢、法兰连接、全天候、可定制呼吸的压力)
  • 接管呼吸阀
  • 呼吸阀
    接管呼吸阀(材质不锈钢、法兰连接、带接管、全天候、可定制呼吸的压力)
呼吸阀说明书 下载