快盈v3

上海川沪阀门有限公司
第二代复合式排气阀图片

第二代复合式排气阀 型号:CARX

第二代复合式排气阀用于管路上的高点或有闭气的地方,排除管内的气体来疏通管道,达到正常工作。

适用范围
第二代复合式排气阀它必须设有二孔一大一小,大孔与通径孔基本相等,管道首次通水有大量气体往外排,这些气体是从大孔排出。 当气体排完后,大孔停止排气,管道在正常动转时,管内自然会产生气囊体,这些气体会慢慢形成变大,会集中到管道上部,对管道出水量有一定的影响,这些气体由小孔解决排除,使管内无气体存在,如出现停电、 停泵、 管内水流空时随时会出现负压。 管内需要大量空气,浮球顺水下降,打开小孔带动大孔进行大量进气确保管道安全。 注: 排气阀在使用过程中压力不能低于0.02MPa, 如低于0.02MPa排气阀容易漏水, 改阀必须配一只阀门作为检修用。

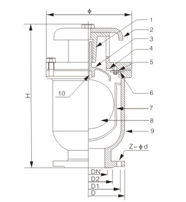
第二代复合式排气阀 技术参数

序号 名称 材质
1 阀体 HT200
2 阀盖 HT200
3 浮球 SUS 304
4 杠杆架 铸铜ZH59
5 铸铜ZH59
6 塞头 丁睛橡胶NBR

第二代复合式排气阀 结构图

第二代复合式排气阀结构图

第二代复合式排气阀 外形尺寸

型号 公称通径DN(mm) 尺寸(mm)
H φ D D1 D2 z-φd
CARX-1.0

CARX-1.6
25 320 195 115 85 68 4-14
50 320 195 160 125 100 4-18
80 375 242 195 160 135 4-18
100 395 260 215 180 155 8-18
150 500 340 280 240 210 8-23
200 600 405 335 295 265 8-23
250 680 465 390 350 320 12-23
由于产品改进技术创新参数可能有一定变化,公司不另行通知,请联系我司和索要第二代复合式排气阀产品详细样本。

第二代复合式排气阀 订货流程

  • 客户来电咨询:021-5186 3046
  • 客户采购清单传真至:021-5186 3049
  • 收到客户采购清单,为客户提供阀门型号选型与报价单

第二代复合式排气阀 订货须知

  • 公称通径
  • 公称压力
  • 连接方式
  • 执行机构有无特殊要求(可以根据客户要求配置)
  • 工艺介质及状态
  • 阀前压力、阀后压力
  • 大、正常、小流量
  • 使用温度
  • 有无特殊要求

  • 复合式排气阀
  • 排气阀
    复合式排气阀(材质碳钢、法兰连接、带堵头、老式结构、排气量大)
  • 复合式排气阀
  • 排气阀
    复合式排气阀(材质碳钢、法兰连接、带压力表、老式结构、排气量大)
  • 复合式排气阀
  • 排气阀
    复合式排气阀(材质不锈钢、法兰连接、带堵头、新型结构、排气量更大)
  • 复合式排气阀
  • 排气阀
    复合式排气阀(材质不锈钢、法兰连接、带压力表、新型结构、排气量更大)
排气阀说明书 下载