快盈v3

上海川沪阀门有限公司
气动衬氟蝶阀图片

气动衬氟蝶阀 型号:CHD671F46

气动衬氟蝶阀是为了适应一些具有强酸、强碱的腐蚀性环境,石油、化工、食品等多个特殊领域的需要,使用聚四氟乙烯制成的阀体,具有很强的防腐效果。在常规条件下可以替代不锈钢阀体,具有更高的性价比。蝶阀的蝶板安装于管道的直径方向。在蝶阀阀体圆柱形通道内,圆盘形蝶板绕着轴线旋转,旋转角度为0°~90°之间,旋转到90°时,阀门则呈全开状态。

附件选型
气动衬氟蝶阀默认配AT型双作用气动执行机构(选配单作用气动执行机构),可配电磁阀换向阀(AC220、DC24V、防爆型)、限位开关(阀位反馈、防爆型)、空气过滤减压阀(气源三联件)

气动衬氟蝶阀 技术参数

参数技术
公称通径 DN15-400mm
链接方式 对夹式
气缸选配 AT系列、AW系列、AT Series、AW Series
气缸形式 双作用、单作用(弹簧复位)
控制方式 开关型、调节型、三段式(开度可调)
公称压力 6、10、16bar(如需更高压力,请注明要求。)
气源压力 双作用:4-8bar、单作用:5-8bar
介质温度 W1:-40~180℃  、W5:-20~80℃、W7:-40~160℃
环境温度 标准型:-20~80℃
阀体材质 铸铁(Q)、碳钢(C)、不锈钢(P4、P6)
密封材质 丁晴橡胶(X)、聚四氟乙烯(F)、全内衬四氟乙烯(F46)

气动衬氟蝶阀 技术规范

技术规范
设计依据 GB标准
设计标准 GB/12238
结构长度 对夹链接 GB/12221
连接法兰尺寸 GB/12221
实验和检验 JB/T9092

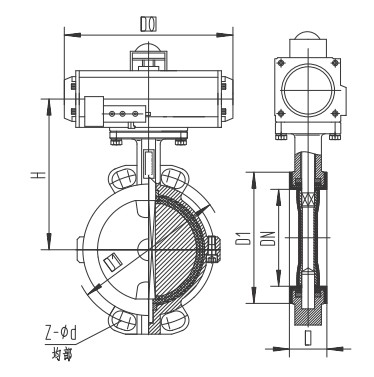
气动衬氟蝶阀 结构图

气动衬氟蝶阀结构图

气动衬氟蝶阀 外形尺寸

 公称通径  主要尺寸
DN   L D D1 D2 f b z-d D D1 D2 f b z-d
  mm
  inch
  对夹
Wafer
  法兰
Flange
    PN0.6MPa
    PN1.0MPa
  40   11/2   33   106   130   100   80     3     14   4-14   150   110     85     3     18     4-18
    50     2     43     108     140     110     90     3     14   4-14   165   125   100     3     18     4-18
    65     2i/2     46     112     160     130     110     3     14   4-14   185   145   120     3     18     4-18
    80     3     46     114     190     150     125     3     16   4-18   200   160   135     3     20     8-18
    100     4     52     127     210     170     145     3     16   4-18   220   180   155     3     20     8-18
    125     5     56     140     240     200     175     3     18   8-18   250   210   185     3     22     8-18
    150     6     56     140     265     225     200     3     18   8-18   285   240   210     3     22     8-22
    200     8     60     152     320     280     255     3     20   8-18   340   295   265     3     24     8-22
    250     10     68     165     375     335     310     4     22   12 -18   395   350   320     4     26   12-22
  300   12   78   178   440   395   363     4     22   12-22   445   400   370     4     26   12-22
  350   14   78   190   490   445   413     4     22   12-22   505   460   430     4     26   16-22
  400   16   102   216   540   495   463     4     22   16-22   565   515   480     4     26   16-26
  450   18   114   222   595   550   518     4     22   16-22   615   565   530     4     28   20-26
  500   20   127   229   645   600   568     4     24   20-22   670   620   580     4     28   20-26
  600   24   154   267   755   705   667     5     30   20-26   780   725   680     5     34   20-30
  700   28   165   292   860   810   772     5     24  24-26   895   840   795     5     34   24-30
  800   32   190   318   975   920   878     5     24  24-30  1015  950  900     5     36   24-33
  900   36   203   330   1075   1020   980     5     26  24-30  1115  1050  1000     5     38   28-33
  1000   40   216   410   1175   1120   1080     5     26   28-30   1230   1160   1115     5     38   28-36
  1200   48   254   470   1405   1340   1295     5     28   32-33   1455   1380   1330     5   44   32-39

 

 

由于产品改进技术创新参数可能有一定变化,公司不另行通知,请联系我司和索要气动衬氟蝶阀产品详细样本。
  • 气动蝶阀
  • 气动蝶阀
    气动蝶阀(材质碳钢、橡胶密封、对夹连接、配双作用或单作用气缸、不带附件)
  • 气动蝶阀
  • 气动蝶阀
    气动蝶阀(材质碳钢、橡胶密封、法兰连接、配双作用或单作用气缸、不带附件)
  • 气动蝶阀
  • 气动蝶阀
    气动蝶阀(材质碳钢、三偏心金属硬密封、对夹式、配双作用或单作用气缸、带电磁阀)
  • 气动蝶阀
  • 气动蝶阀
    气动蝶阀(材质碳钢、三偏心金属硬密封、对夹式、配双作用或单作用气缸、不带附件)
  • 气动四氟蝶阀
  • 气动蝶阀
    气动四氟蝶阀(材质碳钢、四氟密封、对夹连接、配双作用或单作用气缸、带电磁阀)
  • 气动四氟蝶阀
  • 气动蝶阀
    气动四氟蝶阀(材质不锈钢、四氟密封、对夹连接、配双作用或单作用气缸、带电磁阀)
  • 气动衬氟蝶阀
  • 气动蝶阀
    气动衬氟蝶阀(材质碳钢衬氟、对夹式、配双作用或单作用气缸、带电磁阀和限位开关)
  • 气动衬氟蝶阀
  • 气动蝶阀
    气动衬氟蝶阀(材质碳钢衬氟、法兰连接、配双作用或单作用气缸、带电磁阀和气源三联件)
  • 气动通风蝶阀
  • 气动蝶阀
    气动通风蝶阀(材质碳钢、法兰连接、配双作用或单作用气缸、带电磁阀和阀位反馈)
  • 气动通风蝶阀
  • 气动蝶阀
    气动通风蝶阀(材质碳钢、法兰连接、配双作用或单作用气缸、带阀门定位器、调节型)
  • 气动通风蝶阀
  • 气动蝶阀
    气动通风蝶阀(材质碳钢、高温型、带高温支架、配双作用或单作用气缸)
  • 气动通风蝶阀
  • 气动蝶阀
    气动通风蝶阀(材质碳钢、阀板不锈钢、对夹连接、带手轮、带阀门定位器、调节型)
  • 气动粉体蝶阀
  • 气动蝶阀
    气动粉体蝶阀(材质铝合金、双法兰连接、配双作用气缸、不带附件)
  • 气动粉体蝶阀
  • 气动蝶阀
    气动粉体蝶阀(材质铝合金、单法兰连接、配双作用气缸、带电磁阀和阀位反馈)
  • 气动塑料蝶阀
  • 气动蝶阀
    气动塑料蝶阀(材质UPVC、对夹连接、配双作用或单作用气缸、带电磁阀和阀位反馈)
  • 气动衬胶蝶阀
  • 气动蝶阀
    气动衬胶蝶阀(材质碳钢衬胶、带手轮、配气缸、带电磁阀、限位开关、气源三联件)
  • 气动软密封蝶阀
  • 气动蝶阀
    气动软密封蝶阀(材质不锈钢、橡胶密封、法兰连接、配双作用或单作用气缸、不带附件)
  • 气动硬密封蝶阀
  • 气动蝶阀
    气动硬密封蝶阀(材质不锈钢、三偏心金属硬密封、法兰连接、配双作用或单作用气缸)
  • 气动卫生级蝶阀
  • 气动蝶阀
    气动卫生级蝶阀(材质不锈钢、卡箍连接、卫生级、配双作用或单作用气缸、带阀门定位器)
  • 气动调节蝶阀
  • 气动蝶阀
    气动调节蝶阀(材质不锈钢、金属硬密封、法兰连接、配双作用或单作用气缸、带阀门定位器)

气动衬氟蝶阀 订货流程

  • 客户来电咨询:021-5186 3046
  • 客户采购清单传真至:021-5186 3049
  • 收到客户采购清单,为客户提供阀门型号选型与报价单

气动衬氟蝶阀 订货须知

  • 公称通径
  • 公称压力
  • 连接方式
  • 执行机构有无特殊要求(可以根据客户要求配置)
  • 工艺介质及状态
  • 阀前压力、阀后压力
  • 大、正常、小流量
  • 使用温度
  • 有无特殊要求
快盈v3