快盈v3

上海川沪阀门有限公司
气动对夹蝶阀图片

气动对夹蝶阀 型号:CHD671X/CHD671F/CHD673F/CHQ673H

气动对夹蝶阀是中线软密封蝶阀是管线优先选用的常规蝶阀,具有结构简洁,流阻系数小,流量特性趋于直线,不会滞留杂物。且重量轻,安装方便,驱动扭矩较小的优点。气动蝶阀既可作切断介质用,又可作调节介质的流量用。选用不同材料的零件,配用不同材料的密封圈,可适应不同的介质、工况。适用于温度≤120℃或≤150℃,公称压力≤1.6MPa给排水、污水、食品、供暖、燃气、船舶、水电、冶金、能源系统以及轻纺等行业。

附件选型
气动对夹蝶阀默认配AT型双作用气动执行机构(选配单作用气动执行机构),可配电磁阀换向阀(AC220、DC24V、防爆型)、限位开关(阀位反馈、防爆型)、空气过滤减压阀(气源三联件)

气动对夹蝶阀 技术参数

公称通径DN(mm) 50~1200
公称压力 PN1.0、1.6、2.5MPa
连接形式 对夹式
阀板形式 垂直板式
配置执行机构 GT、AT、AR、AW系列单双作用气动执行器
控制方式 开关型(开关两位控制)、调节型(4~20mA控制)

气动对夹蝶阀 零部件参数

零件名称 材料名称
阀体 铸铁、铸钢、不锈钢、铬钼钢、合金钢
蝶板 铸钢、合金钢(镀硬铬)、不锈钢、铬钼钢
密封圈 橡胶、PTFE、PPL、不锈钢、聚内脂、抗磨材料
阀杆 2Cr13、1Cr13不锈钢、铬钼钢
填料 聚四氟乙烯、柔性石墨

气动对夹蝶阀 技术规范

设计依据 GB标准
设计标准 GB/12238
结构长度 法兰 连接 GB/12221
连接法兰尺寸 GB/12221
试验和检验 JB/T9002

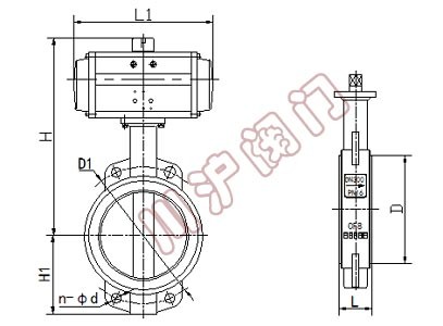
气动对夹蝶阀 结构图

气动对夹蝶阀结构图

气动对夹蝶阀 外形尺寸

公称通径 外形尺寸 连接尺寸
L L1 H H1 D D1 n-Φd
50 42 141 269 68 52.9 120 4-23
65 44.7 159 283 75 64.5 136.2 4-23
80 45.2 159 289 93 78.8 160 4-23
100 52.1 211 320 104 10.4 185 4-23
125 54.4 248 351 118 123.3 215 4-23
150 55.8 269 380 133 155.6 238 4-25
200 60.6 345 435 165 202.5 295 4-29
250 65.6 409 509 197 250.5 357 4-29
300 76.5 438 597 224 301.6 407 4-30
350 76.5 550 653 267 333.3 467 4-30
400 86.5 550 720 309 389.6 515 4-30
450 105.6 600 772 328 440.51 565 4-30
500 131.8 633 867 361 491.5 620 4-33
600 152 730 998 459 592.5 725 4-36
700 163 1230 1116 520 695 840 4-36
800 188 1430 1330 591 794.7 950 4-39
由于产品改进技术创新参数可能有一定变化,公司不另行通知,请联系我司和索要气动对夹蝶阀产品详细样本。
  • 气动蝶阀
  • 气动蝶阀
    气动蝶阀(材质碳钢、橡胶密封、对夹连接、配双作用或单作用气缸、不带附件)
  • 气动蝶阀
  • 气动蝶阀
    气动蝶阀(材质碳钢、橡胶密封、法兰连接、配双作用或单作用气缸、不带附件)
  • 气动蝶阀
  • 气动蝶阀
    气动蝶阀(材质碳钢、三偏心金属硬密封、对夹式、配双作用或单作用气缸、带电磁阀)
  • 气动蝶阀
  • 气动蝶阀
    气动蝶阀(材质碳钢、三偏心金属硬密封、对夹式、配双作用或单作用气缸、不带附件)
  • 气动四氟蝶阀
  • 气动蝶阀
    气动四氟蝶阀(材质碳钢、四氟密封、对夹连接、配双作用或单作用气缸、带电磁阀)
  • 气动四氟蝶阀
  • 气动蝶阀
    气动四氟蝶阀(材质不锈钢、四氟密封、对夹连接、配双作用或单作用气缸、带电磁阀)
  • 气动衬氟蝶阀
  • 气动蝶阀
    气动衬氟蝶阀(材质碳钢衬氟、对夹式、配双作用或单作用气缸、带电磁阀和限位开关)
  • 气动衬氟蝶阀
  • 气动蝶阀
    气动衬氟蝶阀(材质碳钢衬氟、法兰连接、配双作用或单作用气缸、带电磁阀和气源三联件)
  • 气动通风蝶阀
  • 气动蝶阀
    气动通风蝶阀(材质碳钢、法兰连接、配双作用或单作用气缸、带电磁阀和阀位反馈)
  • 气动通风蝶阀
  • 气动蝶阀
    气动通风蝶阀(材质碳钢、法兰连接、配双作用或单作用气缸、带阀门定位器、调节型)
  • 气动通风蝶阀
  • 气动蝶阀
    气动通风蝶阀(材质碳钢、高温型、带高温支架、配双作用或单作用气缸)
  • 气动通风蝶阀
  • 气动蝶阀
    气动通风蝶阀(材质碳钢、阀板不锈钢、对夹连接、带手轮、带阀门定位器、调节型)
  • 气动粉体蝶阀
  • 气动蝶阀
    气动粉体蝶阀(材质铝合金、双法兰连接、配双作用气缸、不带附件)
  • 气动粉体蝶阀
  • 气动蝶阀
    气动粉体蝶阀(材质铝合金、单法兰连接、配双作用气缸、带电磁阀和阀位反馈)
  • 气动塑料蝶阀
  • 气动蝶阀
    气动塑料蝶阀(材质UPVC、对夹连接、配双作用或单作用气缸、带电磁阀和阀位反馈)
  • 气动衬胶蝶阀
  • 气动蝶阀
    气动衬胶蝶阀(材质碳钢衬胶、带手轮、配气缸、带电磁阀、限位开关、气源三联件)
  • 气动软密封蝶阀
  • 气动蝶阀
    气动软密封蝶阀(材质不锈钢、橡胶密封、法兰连接、配双作用或单作用气缸、不带附件)
  • 气动硬密封蝶阀
  • 气动蝶阀
    气动硬密封蝶阀(材质不锈钢、三偏心金属硬密封、法兰连接、配双作用或单作用气缸)
  • 气动卫生级蝶阀
  • 气动蝶阀
    气动卫生级蝶阀(材质不锈钢、卡箍连接、卫生级、配双作用或单作用气缸、带阀门定位器)
  • 气动调节蝶阀
  • 气动蝶阀
    气动调节蝶阀(材质不锈钢、金属硬密封、法兰连接、配双作用或单作用气缸、带阀门定位器)

气动对夹蝶阀 订货流程

  • 客户来电咨询:021-5186 3046
  • 客户采购清单传真至:021-5186 3049
  • 收到客户采购清单,为客户提供阀门型号选型与报价单

气动对夹蝶阀 订货须知

  • 公称通径
  • 公称压力
  • 连接方式
  • 执行机构有无特殊要求(可以根据客户要求配置)
  • 工艺介质及状态
  • 阀前压力、阀后压力
  • 大、正常、小流量
  • 使用温度
  • 有无特殊要求
快盈v3