快盈v3

上海川沪阀门有限公司
气动法兰蝶阀图片

气动法兰蝶阀 型号:CHD641X/CHD641F/CHD643F/CHQ643H

快盈v3 气动法兰蝶阀是一种转角90°的旋转类蝶阀,连接方式法兰连接。具有结构紧凑、体积精小、运行可靠、流阻系数低、密封性好、维修容易、安装方便、适应性强等优点。气动法兰蝶阀密封材料有丁晴橡胶、氟橡胶,硬密封法兰蝶阀为多层次金属硬密封,具有弹性密封的优点,无论在低温情况下均具有优良的密封性能。适用介质:水、空气、天然气、油品及弱腐蚀性流体。被广泛用于水厂、电厂、钢厂、造纸、化工、饮食等系统供排水中,作为调节和截止使用。

附件选型
快盈v3 气动法兰蝶阀默认配AT型双作用气动执行机构(选配单作用气动执行机构),可配电磁阀换向阀(AC220、DC24V、防爆型)、限位开关(阀位反馈、防爆型)、空气过滤减压阀(气源三联件)

气动法兰蝶阀 技术参数

公称通径DN(mm) 50~1200
公称压力 PN1.0、1.6、2.5MPa
连接形式 法兰式
阀板形式 垂直板式
流量特性 近似快开型
动作范围 0~90°
基本误差 带定位器:小于全行程的±2%
回差 带定位器:小于全行程的±2%
可调范围 50:1
配置执行机构 GT、AT、AR、AW系列单双作用气动执行器
控制方式 开关型(开关两位控制)、调节型(4~20mA控制)

气动法兰蝶阀 零部件参数

零件名称 材料名称
阀体 铸铁、铸钢、不锈钢、铬钼钢、合金钢
蝶板 铸钢、合金钢(镀硬铬)、不锈钢、铬钼钢
密封圈 橡胶、PTFE、PPL、不锈钢、聚内脂、抗磨材料
阀杆 2Cr13、1Cr13不锈钢、铬钼钢
填料 聚四氟乙烯、柔性石墨

气动法兰蝶阀 技术规范

设计依据 GB标准 ANSI标准
设计标准 GB/12238 API609
结构长度 法兰 连接 GB/12221 ANSI B16.10
连接法兰尺寸 GB/9113、JB/T79 ANSI B16.5
试验和检验 JB/T9002 API 598

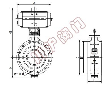
气动法兰蝶阀 结构图

气动法兰蝶阀结构图

气动法兰蝶阀 外形尺寸

公称通径 结构长度 外形尺寸(参考值) 连接尺寸(标准值)
0.6MPa 1.0MPa 1.6MPa
毫米 英寸 L H H1 A D D1 n-Φd D D1 n-Φd D D1 n-Φd
50 2 108 63 315 180 140 110 4-14 165 125 4-18 165 125 4-18
65 2-1/2 112 70 330 180 160 130 4-14 185 145 4-18 185 145 4-18
80 3 114 83 390 245 190 150 4-18 200 160 8-18 200 160 8-18
100 4 127 105 431 240 210 170 4-18 220 180 8-18 220 180 8-18
125 5 140 115 455 240 240 200 8-18 250 210 8-18 250 210 8-18
150 6 140 137 626 350 265 225 8-18 285 240 8-22 285 240 8-22
200 8 152 164 720 350 320 280 8-18 340 295 8-22 340 295 12-22
250 10 165 206 800 550 375 335 12-18 395 350 12-22 405 355 12-26
300 12 178 230 860 600 440 395 12-22 445 400 12-22 460 410 12-26
350 14 190 248 883 600 490 445 12-22 505 460 16-22 520 470 16-26
400 16 216 289 972 600 540 495 16-22 565 515 16-26 580 525 16-30
450 18 222 320 1043 750 595 550 16-22 615 565 20-26 640 585 20-30
500 20 229 343 1098 750 645 600 20-22 670 620 20-26 715 650 20-33
600 24 267 413 1236 750 755 705 20-26 780 725 20-30 840 770 20-36
700 28 430 478 1431 750 860 810 24-26 895 840 24-30 910 840 24-36
800 32 470 525 1488 750 975 920 24-30 1015 950 24-33 1025 950 24-39
900 36 510 620 1615 1250 1075 1020 24-30 1115 1050 28-33 1125 1050 28-39
1000 40 550 725 1765 1500 1175 1120 28-30 1230 1160 28-36 1255 1170 28-42
1200 48 630 780 1976 1500 1405 1340 32-33 1455 1380 32-39 1485 1390 32-48
由于产品改进技术创新参数可能有一定变化,公司不另行通知,请联系我司和索要气动法兰蝶阀产品详细样本。
  • 气动蝶阀
  • 气动蝶阀
    气动蝶阀(材质碳钢、橡胶密封、对夹连接、配双作用或单作用气缸、不带附件)
  • 气动蝶阀
  • 气动蝶阀
    气动蝶阀(材质碳钢、橡胶密封、法兰连接、配双作用或单作用气缸、不带附件)
  • 气动蝶阀
  • 气动蝶阀
    气动蝶阀(材质碳钢、三偏心金属硬密封、对夹式、配双作用或单作用气缸、带电磁阀)
  • 气动蝶阀
  • 气动蝶阀
    气动蝶阀(材质碳钢、三偏心金属硬密封、对夹式、配双作用或单作用气缸、不带附件)
  • 气动四氟蝶阀
  • 气动蝶阀
    气动四氟蝶阀(材质碳钢、四氟密封、对夹连接、配双作用或单作用气缸、带电磁阀)
  • 气动四氟蝶阀
  • 气动蝶阀
    气动四氟蝶阀(材质不锈钢、四氟密封、对夹连接、配双作用或单作用气缸、带电磁阀)
  • 气动衬氟蝶阀
  • 气动蝶阀
    气动衬氟蝶阀(材质碳钢衬氟、对夹式、配双作用或单作用气缸、带电磁阀和限位开关)
  • 气动衬氟蝶阀
  • 气动蝶阀
    气动衬氟蝶阀(材质碳钢衬氟、法兰连接、配双作用或单作用气缸、带电磁阀和气源三联件)
  • 气动通风蝶阀
  • 气动蝶阀
    气动通风蝶阀(材质碳钢、法兰连接、配双作用或单作用气缸、带电磁阀和阀位反馈)
  • 气动通风蝶阀
  • 气动蝶阀
    气动通风蝶阀(材质碳钢、法兰连接、配双作用或单作用气缸、带阀门定位器、调节型)
  • 气动通风蝶阀
  • 气动蝶阀
    气动通风蝶阀(材质碳钢、高温型、带高温支架、配双作用或单作用气缸)
  • 气动通风蝶阀
  • 气动蝶阀
    气动通风蝶阀(材质碳钢、阀板不锈钢、对夹连接、带手轮、带阀门定位器、调节型)
  • 气动粉体蝶阀
  • 气动蝶阀
    气动粉体蝶阀(材质铝合金、双法兰连接、配双作用气缸、不带附件)
  • 气动粉体蝶阀
  • 气动蝶阀
    气动粉体蝶阀(材质铝合金、单法兰连接、配双作用气缸、带电磁阀和阀位反馈)
  • 气动塑料蝶阀
  • 气动蝶阀
    气动塑料蝶阀(材质UPVC、对夹连接、配双作用或单作用气缸、带电磁阀和阀位反馈)
  • 气动衬胶蝶阀
  • 气动蝶阀
    气动衬胶蝶阀(材质碳钢衬胶、带手轮、配气缸、带电磁阀、限位开关、气源三联件)
  • 气动软密封蝶阀
  • 气动蝶阀
    气动软密封蝶阀(材质不锈钢、橡胶密封、法兰连接、配双作用或单作用气缸、不带附件)
  • 气动硬密封蝶阀
  • 气动蝶阀
    气动硬密封蝶阀(材质不锈钢、三偏心金属硬密封、法兰连接、配双作用或单作用气缸)
  • 气动卫生级蝶阀
  • 气动蝶阀
    气动卫生级蝶阀(材质不锈钢、卡箍连接、卫生级、配双作用或单作用气缸、带阀门定位器)
  • 气动调节蝶阀
  • 气动蝶阀
    气动调节蝶阀(材质不锈钢、金属硬密封、法兰连接、配双作用或单作用气缸、带阀门定位器)

气动法兰蝶阀 订货流程

  • 客户来电咨询:021-5186 3046
  • 客户采购清单传真至:021-5186 3049
  • 收到客户采购清单,为客户提供阀门型号选型与报价单

气动法兰蝶阀 订货须知

  • 公称通径
  • 公称压力
  • 连接方式
  • 执行机构有无特殊要求(可以根据客户要求配置)
  • 工艺介质及状态
  • 阀前压力、阀后压力
  • 大、正常、小流量
  • 使用温度
  • 有无特殊要求
快盈v3