快盈v3

上海川沪阀门有限公司
气动对夹衬胶蝶阀图片

气动对夹衬胶蝶阀 型号:CHD671J/CHD671F

快盈v3 气动对夹衬胶蝶阀是由对夹软密封蝶阀和气动执行器组成,对夹式软密封蝶阀具有:1、中心线圆盘;2.防吹杆;3、低摩擦座椅; 4、零泄漏;5、体积小;6、重量轻;7、使用寿命长;8、可用于切断和调节介质;9、结构简单紧凑,快速90度开关操作等特点。配合阀门定位器组成气动调节型对夹球阀可以控制管道介质流量大小,配合电磁阀使用后,可以控制管道介质开关。

附件选型
气动对夹衬胶蝶阀默认配AT型双作用气动执行机构(选配单作用气动执行机构),可配电磁阀换向阀(AC220、DC24V、防爆型)、限位开关(阀位反馈、防爆型)、空气过滤减压阀(气源三联件)

气动对夹衬胶蝶阀 技术参数

公称通径DN(mm) 300~2000

公称压力PN(MPa)

1.0
试验压力(MPa) 壳体 1.5
密封 1.1
适用温度 -15 ~ 120度
适用介质 饮用水、污水、海水等。

气动对夹衬胶蝶阀 零部件参数

阀体 阀板 转轴 衬套 阀座
材料名称 代号 材料名称 代号 材料名称 材料名称 材料名称 代号 适用温度

灰铸铁

球墨铸铁

铝青铜

不锈钢

CF8M不锈钢

碳钢

Z

Q

T

P

R

C

电镀球墨铸铁

铝青铜

不锈钢

钛钢

CF8M不锈钢

碳钢

B1

B2

B3

B4

B5

B6

不锈钢

碳钢

润滑青铜

聚四氟乙烯

天然橡胶

海帕伦

乙丙橡胶

氯丁橡胶

丁晴橡胶

耐磨橡胶

氟橡胶

耐热乙丙橡胶

聚四氟乙烯

X1

X2

X3

X4

X5

X6

X7

X9

F

-20~85度

-20~120度

-20~120度

-7~93度

-20~100度

-10~100度

-20~200度

-20~135度

-20~150度

气动对夹衬胶蝶阀 技术规范

设计标准 GB/T12238-1989
法兰连接尺寸 GB/T9113.1-2000;GB/T9115.1-2000;JB78
结构长度 GB/T12221-1989
压力试验 GB/T13927-2000;JB/T9092-1999

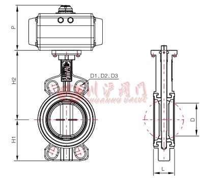
气动对夹衬胶蝶阀 结构图

气动对夹衬胶蝶阀结构图

气动对夹衬胶蝶阀 外形尺寸

SIZE L D D1 D2 D3 H1 H2
40 1-1/2" 33 34 110 110 98.4 60 120
50 2” 43 39 125 125 120.7 65 143
65 2-1/2" 46 55 145 145 139.7 71 155
80 3" 46 69 160 160 152.4 77 162
100 4" 52 91 180 180 190.5 107 181
125 5" 56 115 210 210 215.9 122 197
150 6" 56 140 240 240 241.3 150 210
200 8" 60 186 295 295 298.5 165 240
250 10" 68 239 350 355 362.0 201 286
300 12" 78 288 400 410 431.8 234 309
350 14" 78 325 460 470 476.3 301 329
400 16" 102 375 515 525 539.8 333 361
450 18" 114 423 565 585 577.9 358 393
500 20" 127 473 620 650 635.0 392 427
600 24" 154 560 725 770 749.3 454 492

 

P:请参考执行器配置表 备注 :D1:PN10、D2:PN16按照GB9113.1制定D1:PN10、D2:PN16 is designed to meet GB9113.1 D3按照ANSI 150 B16.5制定D3 is designed to meet ANSI 150 B16.5
  • 气动蝶阀
  • 气动蝶阀
    气动蝶阀(材质碳钢、橡胶密封、对夹连接、配双作用或单作用气缸、不带附件)
  • 气动蝶阀
  • 气动蝶阀
    气动蝶阀(材质碳钢、橡胶密封、法兰连接、配双作用或单作用气缸、不带附件)
  • 气动蝶阀
  • 气动蝶阀
    气动蝶阀(材质碳钢、三偏心金属硬密封、对夹式、配双作用或单作用气缸、带电磁阀)
  • 气动蝶阀
  • 气动蝶阀
    气动蝶阀(材质碳钢、三偏心金属硬密封、对夹式、配双作用或单作用气缸、不带附件)
  • 气动四氟蝶阀
  • 气动蝶阀
    气动四氟蝶阀(材质碳钢、四氟密封、对夹连接、配双作用或单作用气缸、带电磁阀)
  • 气动四氟蝶阀
  • 气动蝶阀
    气动四氟蝶阀(材质不锈钢、四氟密封、对夹连接、配双作用或单作用气缸、带电磁阀)
  • 气动衬氟蝶阀
  • 气动蝶阀
    气动衬氟蝶阀(材质碳钢衬氟、对夹式、配双作用或单作用气缸、带电磁阀和限位开关)
  • 气动衬氟蝶阀
  • 气动蝶阀
    气动衬氟蝶阀(材质碳钢衬氟、法兰连接、配双作用或单作用气缸、带电磁阀和气源三联件)
  • 气动通风蝶阀
  • 气动蝶阀
    气动通风蝶阀(材质碳钢、法兰连接、配双作用或单作用气缸、带电磁阀和阀位反馈)
  • 气动通风蝶阀
  • 气动蝶阀
    气动通风蝶阀(材质碳钢、法兰连接、配双作用或单作用气缸、带阀门定位器、调节型)
  • 气动通风蝶阀
  • 气动蝶阀
    气动通风蝶阀(材质碳钢、高温型、带高温支架、配双作用或单作用气缸)
  • 气动通风蝶阀
  • 气动蝶阀
    气动通风蝶阀(材质碳钢、阀板不锈钢、对夹连接、带手轮、带阀门定位器、调节型)
  • 气动粉体蝶阀
  • 气动蝶阀
    气动粉体蝶阀(材质铝合金、双法兰连接、配双作用气缸、不带附件)
  • 气动粉体蝶阀
  • 气动蝶阀
    气动粉体蝶阀(材质铝合金、单法兰连接、配双作用气缸、带电磁阀和阀位反馈)
  • 气动塑料蝶阀
  • 气动蝶阀
    气动塑料蝶阀(材质UPVC、对夹连接、配双作用或单作用气缸、带电磁阀和阀位反馈)
  • 气动衬胶蝶阀
  • 气动蝶阀
    气动衬胶蝶阀(材质碳钢衬胶、带手轮、配气缸、带电磁阀、限位开关、气源三联件)
  • 气动软密封蝶阀
  • 气动蝶阀
    气动软密封蝶阀(材质不锈钢、橡胶密封、法兰连接、配双作用或单作用气缸、不带附件)
  • 气动硬密封蝶阀
  • 气动蝶阀
    气动硬密封蝶阀(材质不锈钢、三偏心金属硬密封、法兰连接、配双作用或单作用气缸)
  • 气动卫生级蝶阀
  • 气动蝶阀
    气动卫生级蝶阀(材质不锈钢、卡箍连接、卫生级、配双作用或单作用气缸、带阀门定位器)
  • 气动调节蝶阀
  • 气动蝶阀
    气动调节蝶阀(材质不锈钢、金属硬密封、法兰连接、配双作用或单作用气缸、带阀门定位器)

气动对夹衬胶蝶阀 订货流程

  • 客户来电咨询:021-5186 3046
  • 客户采购清单传真至:021-5186 3049
  • 收到客户采购清单,为客户提供阀门型号选型与报价单

气动对夹衬胶蝶阀 订货须知

  • 公称通径
  • 公称压力
  • 连接方式
  • 执行机构有无特殊要求(可以根据客户要求配置)
  • 工艺介质及状态
  • 阀前压力、阀后压力
  • 大、正常、小流量
  • 使用温度
  • 有无特殊要求
快盈v3