快盈v3

上海川沪阀门有限公司
气动真空蝶阀图片

气动真空蝶阀 型号:GIQ

GIQ气动真空蝶阀是由气动执行器和真空蝶阀组成,使用在负压的场合,安装对应的阀门附件可以用来切断和调节的场合使用,例如:配电磁阀换向阀、限位开关等用在开关和切断的场合,配阀门定位器,给出模拟量控制信号4-20mA,可以控制阀门开度大小,来实现调节管道压力、流量、温度的大小。

附件选型
快盈v3 气动真空蝶阀默认配AT型双作用气动执行机构(选配单作用气动执行机构),可配电磁阀换向阀(AC220、DC24V、防爆型)、限位开关(阀位反馈、防爆型)、空气过滤减压阀(气源三联件)

气动真空蝶阀 技术参数

适用范围(Pa) 10 5  ~1.3×10 -6
阀门漏率(Pa.L/S) 1.3×10 -7
介质温度(℃) -25~+80(密封材料为丁晴橡胶)
-30~+150(密封材料为氟橡胶)
阀门主要部件材料 不锈钢或碳钢
气源压力(MPa) 0.4~0.8
法兰标准 JB919
安装位置 任意
电源电压 标准出厂:AC220V/50Hz
特殊指定:①AC110V;②DC24V;③DC12V等
信号反馈 标准出厂:阀位指示器
特殊指定:可选①微动开关②智能型4~20mA DC③防爆型微动开关
气缸可选 标准出厂:双作用式
特殊指定:单作用式(有弹簧返回) 可选常开或常闭

气动真空蝶阀 结构图

气动真空蝶阀结构图

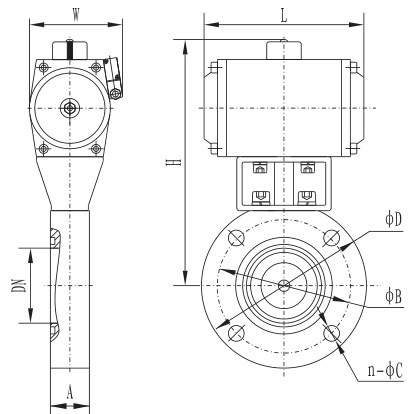
气动真空蝶阀 外形尺寸

型号 通径(DN) ΦD ΦB H A L W n-ΦC
GIQ-25B 25 70 55 190 22 168 92 4-Φ7
GIQ-32B 32 78 64 193
GIQ-40B 40 85 70 196
GIQ-50B 50 110 90 210 4-Φ9
GIQ-63B 63 130 110 220 26
GIQ-80B 80 145 125 253 30 204 105
GIQ-100B 100 170 145 265 4-Φ12
GIQ-125B 125 195 170 278 35
GIQ-150B 150 220 195 335 268 140 8-Φ12
GIQ-200B 200 275 250 383 40 298 165
GIQ-250B 250 330 300 457 45 458 200
GIQ-300B 300 380 350 513 55 525 231 8-Φ14
GIQ-400B 400 500 465 611 60 532 251 8-Φ18

 

由于产品改进技术创新参数可能有一定变化,公司不另行通知,请联系我司和索要气动真空蝶阀产品详细样本。
  • 气动蝶阀
  • 气动蝶阀
    气动蝶阀(材质碳钢、橡胶密封、对夹连接、配双作用或单作用气缸、不带附件)
  • 气动蝶阀
  • 气动蝶阀
    气动蝶阀(材质碳钢、橡胶密封、法兰连接、配双作用或单作用气缸、不带附件)
  • 气动蝶阀
  • 气动蝶阀
    气动蝶阀(材质碳钢、三偏心金属硬密封、对夹式、配双作用或单作用气缸、带电磁阀)
  • 气动蝶阀
  • 气动蝶阀
    气动蝶阀(材质碳钢、三偏心金属硬密封、对夹式、配双作用或单作用气缸、不带附件)
  • 气动四氟蝶阀
  • 气动蝶阀
    气动四氟蝶阀(材质碳钢、四氟密封、对夹连接、配双作用或单作用气缸、带电磁阀)
  • 气动四氟蝶阀
  • 气动蝶阀
    气动四氟蝶阀(材质不锈钢、四氟密封、对夹连接、配双作用或单作用气缸、带电磁阀)
  • 气动衬氟蝶阀
  • 气动蝶阀
    气动衬氟蝶阀(材质碳钢衬氟、对夹式、配双作用或单作用气缸、带电磁阀和限位开关)
  • 气动衬氟蝶阀
  • 气动蝶阀
    气动衬氟蝶阀(材质碳钢衬氟、法兰连接、配双作用或单作用气缸、带电磁阀和气源三联件)
  • 气动通风蝶阀
  • 气动蝶阀
    气动通风蝶阀(材质碳钢、法兰连接、配双作用或单作用气缸、带电磁阀和阀位反馈)
  • 气动通风蝶阀
  • 气动蝶阀
    气动通风蝶阀(材质碳钢、法兰连接、配双作用或单作用气缸、带阀门定位器、调节型)
  • 气动通风蝶阀
  • 气动蝶阀
    气动通风蝶阀(材质碳钢、高温型、带高温支架、配双作用或单作用气缸)
  • 气动通风蝶阀
  • 气动蝶阀
    气动通风蝶阀(材质碳钢、阀板不锈钢、对夹连接、带手轮、带阀门定位器、调节型)
  • 气动粉体蝶阀
  • 气动蝶阀
    气动粉体蝶阀(材质铝合金、双法兰连接、配双作用气缸、不带附件)
  • 气动粉体蝶阀
  • 气动蝶阀
    气动粉体蝶阀(材质铝合金、单法兰连接、配双作用气缸、带电磁阀和阀位反馈)
  • 气动塑料蝶阀
  • 气动蝶阀
    气动塑料蝶阀(材质UPVC、对夹连接、配双作用或单作用气缸、带电磁阀和阀位反馈)
  • 气动衬胶蝶阀
  • 气动蝶阀
    气动衬胶蝶阀(材质碳钢衬胶、带手轮、配气缸、带电磁阀、限位开关、气源三联件)
  • 气动软密封蝶阀
  • 气动蝶阀
    气动软密封蝶阀(材质不锈钢、橡胶密封、法兰连接、配双作用或单作用气缸、不带附件)
  • 气动硬密封蝶阀
  • 气动蝶阀
    气动硬密封蝶阀(材质不锈钢、三偏心金属硬密封、法兰连接、配双作用或单作用气缸)
  • 气动卫生级蝶阀
  • 气动蝶阀
    气动卫生级蝶阀(材质不锈钢、卡箍连接、卫生级、配双作用或单作用气缸、带阀门定位器)
  • 气动调节蝶阀
  • 气动蝶阀
    气动调节蝶阀(材质不锈钢、金属硬密封、法兰连接、配双作用或单作用气缸、带阀门定位器)

气动真空蝶阀 订货流程

  • 客户来电咨询:021-5186 3046
  • 客户采购清单传真至:021-5186 3049
  • 收到客户采购清单,为客户提供阀门型号选型与报价单

气动真空蝶阀 订货须知

  • 公称通径
  • 公称压力
  • 连接方式
  • 执行机构有无特殊要求(可以根据客户要求配置)
  • 工艺介质及状态
  • 阀前压力、阀后压力
  • 大、正常、小流量
  • 使用温度
  • 有无特殊要求