快盈v3

上海川沪阀门有限公司
气动调节球阀图片
阀体材质 WCB碳钢、304不锈钢、316不锈钢
公称通径 DN25~250mm
公称压力 PN1.6MPa、2.5MPa、4.0MPa、6.4MPa、Class150、300
密封形式 聚四氟乙烯PTFE密封(-40~150℃)、对位聚苯PPL密封(-40~300℃)、合金钢H密封(-40~425℃)、硬质合金Y密封(-40~425℃)
执行机构 双作用气缸、单作用气缸(弹簧复位)
控制附件 电磁阀、限位开关、气源三联件、电气定位器、保位阀、手轮
行业应用 应用于 医疗器械、太阳能、清洗设备、食品机械、燃烧器、焊接切割、消防安全、生物制药、机械制造等行业等

气动V型调节球阀 型号:CHQV640F/CHQV640H

气动V型调节球阀是由单作用或者是双作用气动执行机构和V型调节球阀组成,球阀的阀芯设计成带有特殊形状的V型缺口,具有精确的截流物性和控制功能,适用于各种控制场合,结构紧凑,体积小等优点。由于阀芯和阀座之间是无间隙回转,所以具有很大的剪切力及自洁性能,所以气动对夹式调节球阀适用于含有纤维性或有微小固体颗粒的悬浊液及固态颗粒状的控制。可广泛用于石油、化工、造纸、化纤、电力、冶金、制药、环保等工业部门的自控系统中。

附件选型
快盈v3 对夹式气动调节球阀默认配AT型双作用气动执行机构(选配单作用气动执行机构),并配有电气-阀门定位器,可以选配YT定位器和西门子智能定位器。通过定位器的控制信号4-20mA来实现阀门比例调节。

气动V型调节球阀 技术参数

公称通径DN 25 32 40 50 65 80 100 125 150 200 250 300 350 400
额定流量系数Cv 32 43 78 90 160 250 360 610 1120 1850 2950 3700 7195 11466
公称压力 PN1.6、2.5、4.0、6.4MPa
强度试验 2.4~9.6MPa
密封试验 1.76~7.0MPa
流量特性 近似等百分比
阀板转角(度) 0°~至90°(可调)
允许泄漏量等级 软密封:零泄露
硬密封:≤额定Cv×0.001%
软密封:VI微气泡级,金属密封:≤额定CV×0.065%
动作时间(S/90度) 8.5~30 36~60
可调节比 250:1 300:1
配置执行器 AT、AW系列单双作用气动执行器
控制方式 4~20mA

气动V型调节球阀 零部件参数

零件名称 材料名称
阀体 WCB 304(CF8) 316(CF8M) 316L(CF3M)
球体 2Cr13+氮化处理 304 316 316L
阀杆 2Cr13 304 316 316L
密封圈 聚四氟乙烯(PTFE)、增强聚四氟乙烯(PPL)、对位聚苯、柔性石墨
适用介质 水、气体、蒸汽、油品等 硝酸等腐蚀性介质 醋酸等腐蚀介质 尿素等腐蚀性介质

气动V型调节球阀 技术规范

设计依据 GB标准 ANSI标准
设计标准 GB/12237 ANSI B16.34
试验和检验 JB/T9092 API 598

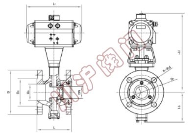
气动V型调节球阀 结构图

气动V型调节球阀结构图

气动V型调节球阀 外形尺寸

公称通径 DN L L1 -H H1 D D1 D2 D3 C f n-Φd
25 62 159 260 87 115 85 65 38 16 2 4-Φ14
32 105 159 267 87 140 100 76 42 18 3 4-Φ18
40 114 211 292 87 150 110 84 50 18 3 4-Φ18
50 124 248 292 97 165 125 99 60 20 3 4-Φ18
65 145 269 327 112 185 145 118 75 20 3 4-Φ18
80 165 315 359 112 200 160 132 94 20 3 8-Φ18
100 194 345 359 122 220 180 156 110 22 3 8-Φ18
125 213 409 399 142 250 210 184 135 22 3 8-Φ18
150 229 438 461 165 285 240 211 165 24 3 8-Φ22
200 243 550 509 195 340 295 266 210 24 3 12-Φ22
250 297 633 603 237 405 355 319 260 26 3 12-Φ26
300 334 730 790 287 460 410 370 310 284 4 12-Φ26
350 414 1180 828 338 520 470 429 360 30 4 16-Φ26
由于产品改进技术创新参数可能有一定变化,公司不另行通知,请联系我司和索要气动V型调节球阀产品详细样本。
  • 气动球阀
  • 气动球阀
    气动球阀(材质碳钢、法兰连接、配双作用气缸或单作用气缸、不带附件)
  • 气动球阀
  • 气动球阀
    气动球阀(材质不锈钢、法兰连接、配气动执行器、带电磁换向阀电压AC220V或DC24V)
  • 气动球阀
  • 气动球阀
    气动球阀(材质不锈钢、法兰连接、配气动执行器、带ASCO电磁阀和限位开关)
  • 气动球阀
  • 气动球阀
    气动球阀(材质不锈钢、法兰连接、配气动执行器、带手轮可手动开闭、带电磁阀)
  • 气动超薄球阀
  • 气动球阀
    气动超薄球阀(材质不锈钢、对夹连接、配双作用气缸或单作用气缸、不带附件)
  • 气动塑料球阀
  • 气动球阀
    气动塑料球阀(材质UPVC、双由令连接、配双作用或单作用气动执行器、不带附件)
  • 气动塑料球阀
  • 气动球阀
    气动塑料球阀(材质PP、法兰连接、配双作用或单作用气动执行器、不带附件)
  • 气动真空球阀
  • 气动球阀
    气动真空球阀(材质不锈钢、活套法兰连接、配双作用或单作用气动执行器、带限位开关)
  • 气动三通卫生级球阀
  • 气动球阀
    气动三通卫生级球阀(材质不锈钢、卡箍连接、配双作用或单作用气动执行器、不带附件)
  • 气动保温球阀
  • 气动球阀
    气动保温球阀(材质不锈钢、带保温夹套、配双作用或但作用气缸、带防爆电磁阀)
  • 气动V型调节球阀
  • 气动球阀
    气动V型调节球阀(材质不锈钢、V型球阀、配双作用或单作用气缸、带定位器)
  • 气动V型调节球阀
  • 气动球阀
    气动V型调节球阀(材质碳钢、V型球阀、配双作用或单作用气缸、带保位阀、带定位器)
  • 气动三通球阀
  • 气动球阀
    气动三通球阀(材质碳钢、法兰连接、配双作用或单作用气缸、带电磁阀)
  • 气动三通球阀
  • 气动球阀
    气动三通球阀(材质不锈钢、法兰连接、配双作用或单作用气缸、带电磁阀、带限位开关)
  • 气动三通球阀
  • 气动球阀
    气动三通球阀(材质不锈钢、带手轮、配双作用或单作用气缸、带电磁阀)
  • 气动三通球阀
  • 气动球阀
    气动三通球阀(阀体材质碳钢、配双作用或单作用气缸、配防爆型电磁阀、防爆型限位开关)
  • 气动内螺纹球阀
  • 气动球阀
    气动内螺纹球阀(材质不锈钢、三片式内螺纹、配双作用或单作用气缸、带电磁阀、限位开关)
  • 气动内螺纹球阀
  • 气动球阀
    气动内螺纹球阀(材质不锈钢、三片式内螺纹、配双作用或单作用气缸、带电磁阀)
  • 气动内螺纹球阀
  • 气动球阀
    气动内螺纹球阀(材质不锈钢、锻造、配双作用或单作用气缸、带双电控电磁阀、带限位开关)
  • 气动三通内螺纹球阀
  • 气动球阀
    气动三通内螺纹球阀(材质不锈钢、螺纹连接、配双作用或单作用气缸、带电磁阀)
  • 气动衬氟球阀
  • 气动球阀
    气动衬氟球阀(材质碳钢衬氟、法兰连接、配双作用或单作用气缸、带限位开关)
  • 气动衬氟球阀
  • 气动球阀
    气动衬氟球阀(材质碳钢衬氟、带手轮、配双作用或单作用气缸、带电磁阀、限位开关)
  • 气动V型衬氟球阀
  • 气动球阀
    气动V型衬氟球阀(材质碳钢衬氟、V型球阀、配双作用或单作用气缸、不带附件)
  • 气动V型衬氟球阀
  • 气动球阀
    气动V型衬氟球阀(材质碳钢衬氟、V型球阀、配双作用或单作用气缸、配山武智能定位器)
  • 气动高压球阀
  • 气动球阀
    气动高压球阀(材质不锈钢、配双作用或单作用气缸、带电磁阀、限位开关、空气减压阀)
  • 气动高压球阀
  • 气动球阀
    气动高压球阀(材质不锈钢、配双作用或单作用气缸、配对法兰、带全套附件)
  • 气动V型球阀
  • 气动球阀
    气动V型球阀(材质碳钢、V型球阀、配双作用或单作用气缸、带限位开关)
  • 气动球阀
  • 气动球阀
    气动球阀(材质不锈钢、配双作用气缸、配防爆电磁阀、防爆限位开关和空气减压阀)
  • 气动调节球阀
  • 气动球阀
    气动调节球阀(材质不锈钢、配双作用或单作用气缸、配阀门定位器、输入信号4-20mA)
  • 气动球阀
  • 气动球阀
    气动球阀(材质碳钢、磷化处理、高平台球阀、配双作用气缸、带电磁阀)
  • 气动球阀
  • 气动球阀
    气动球阀(材质碳钢、磷化处理、高平台球阀、配双作用气缸、带电磁阀、限位开关)
  • 气动球阀
  • 气动球阀
    气动球阀(材质碳钢、磷化处理、配双作用气缸、带电磁阀、限位开关、防爆接管)

气动V型调节球阀 订货流程

  • 客户来电咨询:021-5186 3046
  • 客户采购清单传真至:021-5186 3049
  • 收到客户采购清单,为客户提供阀门型号选型与报价单

气动V型调节球阀 订货须知

  • 公称通径
  • 公称压力
  • 连接方式
  • 执行机构有无特殊要求(可以根据客户要求配置)
  • 工艺介质及状态
  • 阀前压力、阀后压力
  • 大、正常、小流量
  • 使用温度
  • 有无特殊要求
快盈v3