快盈v3

上海川沪阀门有限公司
CHV型电动执行器图片
驱动形式 角行程(0-90°)
驱动电压 单相AC110V 50/60HZ;AC220V 50/60HZ;AC240V 60HZ
三相AC380V 50HZ
直流DC24V.DC36V
输入信号 ON-OFF、DC4~20mA或DC1~5V
输出信号 ON-0FF、DC4~20mA或DC1~5V
壳体材质 铝合金、不锈钢
防护等级 IP67
防爆形式 标准型(不防爆)、防爆型(ExdII BT4、ExdII CT4)

CHV型电动执行器 型号:CHV

快盈v3 CHV型电动执行器用于控制0°~270°旋转的阀门及其他同类产品,如蝶阀、球阀、风门、挡板阀、旋塞阀、百叶阀等,可以广泛应用于石油、化工、水处理、船舶、造纸、电站、供热,轻工等各行业中。

执行机构选型
CHV型电动执行器它以380V/220V/110V交流电源为驱动电源,以4-20mA电流信号或0-10V DC 电压信号为控制信号,可使阀门运动到所需位置,实现其自动化控制,大输出扭距达2000N·m。

CHV型电动执行器性能特点

1壳体壳体为硬质铝合金,经阳极氧化处理和聚酯粉末涂层,耐腐蚀性强,防护等级为IP67,NEMA4和6,并有关IP68型供选择。
2电机全封闭式鼠笼式电机,体积小,扭距大,惯性力小,绝缘等级为F级,内置热保护开关,可防止损坏电机。
3手动结构手柄的设计保证安全可靠、省力、体积小。不通电时,振动手柄可进行手动操作。不用手动时,将板手置于板手夹内,方便使用。
4指示器指示器安装在中心轴上,可以观察阀门位置。透镜采用凸出镜设计,不积水,观察更方便2.5干燥器用来控制温度,防止由于温度和天气变化导致执行器内部水分凝结,保持内部电气元件的干燥。
6密封密封性好,标准产品防护等级是IP67,并可选IP68防护等级。
7限位开关机械,电子双重限位。机械限位螺钉可调,安全可靠;电子限位开关由凸轮机构来控制,简单的调整机构能精确并方便地设定位置,且不受手轮过量的影响。
8自锁精密的蜗轮杆机构可高效传输大扭距,效率高,噪音低(大50分贝),寿命长;有自锁功能,防止反转,传动部分稳定可靠,无需再加油。
9防脱螺栓拆除外壳时,螺栓附在壳体上,不会脱落。
10安装底部安装尺寸符合ISO5211/DIN3337国际标准,孔成双四方形便于带方杆的阀线性或45°转角安装,适应性强。可以垂直安装,也可以水平安装。
11线路控制线路符合单相或三相电源标准,线路布置紧凑合理,接线端子可有效满足各种附加功能的要求。

CHV型电动执行器 选型参数

型号 输出扭矩 90°动作时间 输出轴 电机 额定电流(A)50HZ 手轮转数 重量
N·M s mm W 220V N KG
CHV-05 50 30 14x14/φ20 10 0.25 10 3.6
CHV-08 80 30 14x14/φ20 10 0.25 10 3.6
CHV-10 100 30 17x17/φ25 15 0.35 7.5 4.6
CHV-15 150 30 17x17/φ25 15 0.37 7.5 4.6
CHV-20 200 30 27x27/φ42 45 0.3 48 13
CHV-30 300 30 27x27/φ42 45 0.31 48 13.4
CHV-40 400 30 27x27/φ42 60 0.33 48 13.8
CHV-60 600 30 27x27/φ42 90 0.33 48 14
CHV-80 800 45 27x27/φ42 180 0.47 48 14.3
CHV-100 1000 135 maxφ65 180 0.47 130 60
CHV-160 1600 135 maxφ65 180 0.85 130 60
CHV-200 2000 135 maxφ65 180 0.85 130 60
CHV-300 3000 135 maxφ65 180 0.85 130 60

CHV型电动执行器标准技术参数

外壳 铝合金外壳,防水级别IP67,NEMA4 and 6
 
电机电源 110/220V AC l Phase,380/440V AC 3Phase, 50/60Hz. ±l0%
控制电源 110/220V AC l Phase, 50/60Hz, ±10%
  电机 鼠笼式异步电动机
限位开关 2 x开 ( On),美  ( Off ). SPDT.250V AC 10A
辅助限位开关 2 x开 ( On ),关 ( Off ), SPDT.250V AC 10A
  行程 90° -270±10°( 90°以上提前说明) 0°~ 270°
失效保护,操作温度 内置热保护,开120℃±5℃,关97℃±1 5℃
指示器 连续的位置指示
  手动操 机械手柄
  (可选装手轮)
自锁装置
蜗轮,蜗杆机构提供自锁 
机械限位 2个外部调整螺栓
干燥器 7-10W (110/220V AC)防冷凝
接线孔 2个( Pieces) M18
环境温度 -20℃~+70℃
润滑 铝基润滑脂(EP型)Aluminium base grease( EP)
  材料 铜,铝合盒,铝青铜,聚碳酸脂 
环境湿度 大f Max)90% RH 非凝结
抗震性能 X Y Z 10g.0.2-34 Hz,30分( minutes )
外涂层 干粉,环氧聚酯

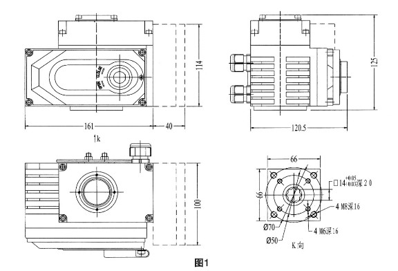
CHV型电动执行器外观尺寸(05~08外观及安装尺寸(虚线部分为模拟量控制盒,开关型无此尺寸))

CHV型电动执行器外观尺寸

CHV型电动执行器外观尺寸(10~15外观及安装尺寸(虚线部分为模拟量控制盒,开关型无此尺寸))

CHV型电动执行器外观尺寸

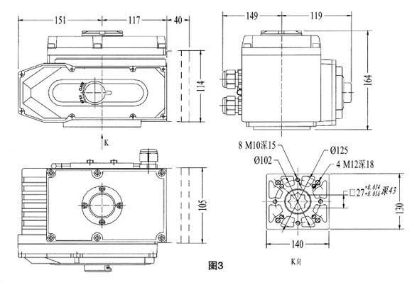
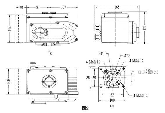
CHV型电动执行器外观尺寸(20~80外观及安装尺寸(虚线部分为模拟量控制盒,开关型无此尺寸))

CHV型电动执行器外观尺寸

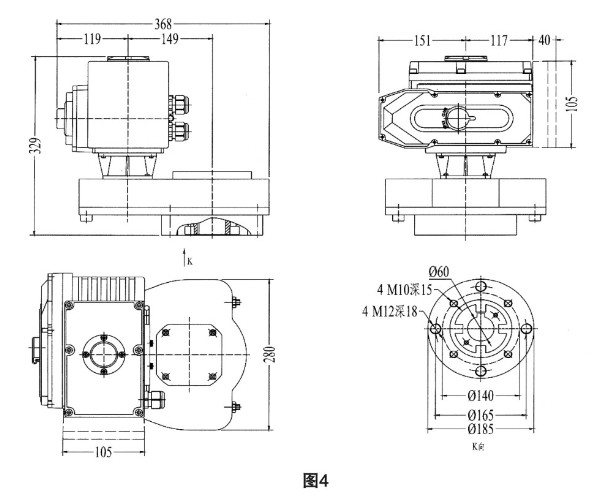
CHV型电动执行器外观尺寸(100~300外观及安装尺寸(虚线部分为模拟量控制盒,开关型无此尺寸))

CHV型电动执行器外观尺寸

CHV型电动执行器接线图(智能调节型AC220V无源触点4-20mA信号输出线路图)

CHV型电动执行器接线图

CHV型电动执行器接线图(标准AC220V开关型无源触点线路图)

CHV型电动执行器接线图

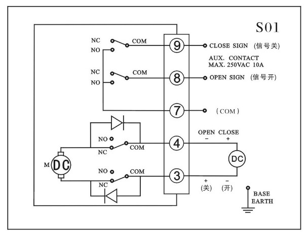
CHV型电动执行器接线图(直流DC24V标准开关无源触点信号输出线路图)

CHV型电动执行器接线图

CHV型电动执行器接线图(AC380V三相交流无源触点线路图)

CHV型电动执行器接线图
由于产品改进技术创新参数可能有一定变化,公司不另行通知,请联系我司和索要CHV型电动执行器产品详细样本。
  • CHV电动执行器
  • 执行器和附件
    CHV电动执行器(配球阀使用、有开关型和调节型、电压AC220V、DC24V、AC380V)
  • CHQ防爆电动执行器
  • 执行器和附件
    CHQ防爆电动执行器(配球阀使用、防爆型、开关型带无源触点反馈、电压可选)
  • CHQ防爆电动执行器
  • 执行器和附件
    CHQ防爆电动执行器(配球阀使用、调节型、输入输出信号4-20mA、电压可选)
  • CHQ防爆智能电动执行器
  • 执行器和附件
    CHQ防爆智能电动执行器(配球阀使用、智能一体化、带现场操作、电压可选)
  • CH电动执行器
  • 执行器和附件
    CH电动执行器(配球阀使用、开关型带无源触点反馈、电压AC220V、DC24V、AC380V)
  • CH电动执行器
  • 执行器和附件
    CH电动执行器(配球阀使用、调节型输入输出4-20mA、电压可选)
  • CHQ防爆智能电动执行器
  • 执行器和附件
    CHQ防爆智能电动执行器(配球阀使用、带蜗轮箱、智能一体化、带现场操作、电压可选)
  • 保位阀
  • 执行器和附件
    保位阀(气源故障后、保位阀切断气源通道、使阀门保持断气前位置)
  • 电磁阀
  • 执行器和附件
    电磁阀(控制气动执行器进气、接收电信号来控制阀门开和关、电压AC220V、DC24V可选)
  • 限位开关
  • 执行器和附件
    限位开关(配合气动执行器使用、反馈阀门开和关、输出无源触点信号)
  • 空气减压阀
  • 执行器和附件
    空气减压阀(配合定位器使用、减小空压机管道送过来的气源压力、使得执行器正常工作)
  • 气源三联件
  • 执行器和附件
    气源三联件(过滤空压机气源、并且控制气源压力大小、使得气压符合执行器气压使用)

CHV型电动执行器 订货流程

  • 客户来电咨询:021-5186 3046
  • 客户采购清单传真至:021-5186 3049
  • 收到客户采购清单,为客户提供阀门型号选型与报价单

CHV型电动执行器 订货须知

  • 公称通径
  • 公称压力
  • 连接方式
  • 执行机构有无特殊要求(可以根据客户要求配置)
  • 工艺介质及状态
  • 阀前压力、阀后压力
  • 大、正常、小流量
  • 使用温度
  • 有无特殊要求