| 阀体材质 | WCB碳钢、304不锈钢、316不锈钢 |
|---|---|
| 公称通径 | DN15~250mm |
| 公称压力 | PN1.6MPa、2.5MPa、4.0MPa、6.4MPa、Class150、300 |
| 密封形式 | 聚四氟乙烯PTFE密封(-40~150℃)、对位聚苯PPL密封(-40~300℃)、合金钢H密封(-40~425℃)、硬质合金Y密封(-40~425℃) |
| 适用介质 | 水、蒸汽、油品、硝酸、醋酸、氧化性介质、尿素等多种介质 |
| 驱动形式 | 手柄、蜗轮、电动、气动、液动等 |
| 行业应用 | 应用于 医疗器械、太阳能、清洗设备、食品机械、燃烧器、焊接切割、消防安全、生物制药、机械制造等行业等 |
浮动式法兰球阀用于PN16~PN63 的各种管路上,用于截断或接通管路中的介质,选用不同的材质,四氟密封耐温≤150℃,PPL密封耐温≤250摄氏度。可分别适用于水、蒸汽、油品、液化气、天然气、煤气、硝酸、醋酸、氧化性介质、尿素等多种介质。
执行机构选型
浮动式法兰球阀通过支架和联轴器和电动执行机构和气动执行机构连接,组成,电动浮动式法兰球阀(开关型和调节型控制信号4-20mA)和气动浮动式法兰球阀(开关型和调节型控制信号4-20mA)
| 零部件 | 材质 | |||||||
|---|---|---|---|---|---|---|---|---|
| 阀体 | ZG1Cr18Ni9Ti | CF8 | CF3 | ZG1Cr18Ni12Mo2Ti | CF8M | CF3M | ||
| 球体 阀杆 | 1Cr18Ni9Ti | 304 | 304L | 1Cr18Ni12Mo2Ti | 316 | 316L | ||
| 阀 座 | 聚四氟乙烯PTFE 加坡纤增强聚四氟乙烯PTFE+Glass 对位聚笨PPL | |||||||
| 垫片 | 聚四氟乙烯PTFE 不锈钢/柔性石墨 齿形垫片 | |||||||
| 阀杆座 | 聚四氟乙烯PTFE 不锈钢/柔性石墨 | |||||||
| 填料 | 聚四氟乙烯PTFE 增强柔性石墨 | |||||||
| 填料压盖 | 1Cr18Ni9Ti | 304 | 304L | 1Cr18Ni12Mo2Ti | 316 | 316L | ||
| 温度 | -29℃~150℃(聚四氟乙烯 PTFE) -29℃~200℃(加玻纤增强聚四氟乙烯 PTFE+GLASS) -29℃~300℃(对位聚笨 PPL) | |||||||
| 介质 | 水 蒸汽 油品 | 硝酸类 | 强氧化介质 | 醋酸类 | 尿素类 | |||
| 设计与制造 | 结构长度 | 法兰尺寸 | 压力-温度 | 试验-检验 |
|---|---|---|---|---|
| GB122237 | GB12221 | GB9113 JB79 | GB9131 | GB/T13927 JB/T9092 |
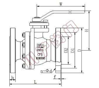
| 1.6MPa | DN | L | D | D1 | D2 | b | n-φd | H | D0 |
|---|---|---|---|---|---|---|---|---|---|
| 凸面法兰 RF Q41F Q41PPL 16C 16P 16R |
15 | 130 | 95 | 65 | 45 | 14 | 4-14 | 78 | 140 |
| 20 | 140 | 105 | 75 | 55 | 14 | 4-14 | 84 | 160 | |
| 25 | 150 | 115 | 85 | 65 | 14 | 4-14 | 95 | 180 | |
| 32 | 165 | 135 | 100 | 78 | 16 | 4-18 | 150 | 250 | |
| 40 | 180 | 145 | 110 | 85 | 16 | 4-18 | 150 | 300 | |
| 50 | 200 | 160 | 125 | 100 | 18 | 4-18 | 170 | 350 | |
| 65 | 220 | 180 | 145 | 120 | 20 | 4-18 | 195 | 350 | |
| 80 | 250 | 195 | 160 | 135 | 20 | 8-18 | 215 | 400 | |
| 100 | 280 | 215 | 180 | 155 | 20 | 8-18 | 250 | 500 | |
| 125 | 320 | 245 | 210 | 185 | 22 | 8-18 | 265 | 600 | |
| 150 | 360 | 280 | 240 | 210 | 24 | 8-23 | 270 | 800 | |
| 200 | 400 | 335 | 295 | 265 | 26 | 12-23 | 330 | 1200 | |
| 2.5MPa | 15 | 130 | 95 | 65 | 45 | 16 | 4-14 | 103 | 140 |
| 凸面法兰 RF Q41F Q41PPL 25 25P 25R | 20 | 140 | 105 | 75 | 55 | 16 | 4-14 | 112 | 160 |
| 25 | 150 | 115 | 85 | 65 | 16 | 4-14 | 123 | 180 | |
| 32 | 165 | 135 | 100 | 78 | 18 | 4-18 | 150 | 250 | |
| 40 | 180 | 145 | 110 | 85 | 18 | 4-18 | 156 | 300 | |
| 50 | 200 | 160 | 125 | 100 | 20 | 8-18 | 172 | 350 | |
| 65 | 220 | 180 | 145 | 120 | 22 | 8-18 | 197 | 350 | |
| 80 | 250 | 195 | 160 | 135 | 22 | 8-23 | 222 | 400 | |
| 100 | 280 | 230 | 190 | 160 | 24 | 8-23 | 253 | 500 | |
| 125 | 320 | 270 | 220 | 188 | 28 | 8-25 | 275 | 600 | |
| 150 | 360 | 300 | 250 | 218 | 30 | 8-25 | 286 | 800 | |
| 200 | 400 | 360 | 310 | 278 | 34 | 12-25 | 340 | 1200 |
| 4.0MPa | DN | L | D | D1 | D2 | D6 | b | n-φd | H | D0 |
|---|---|---|---|---|---|---|---|---|---|---|
| 凹凸法兰 MFM Q41F Q41PPL 40 40P 40R | 15 | 130 | 95 | 65 | 45 | 40 | 16 | 4-14 | 103 | 140 |
| 20 | 140 | 105 | 75 | 55 | 51 | 16 | 4-14 | 112 | 160 | |
| 25 | 150 | 115 | 85 | 65 | 58 | 16 | 4-14 | 123 | 160 | |
| 32 | 180 | 135 | 100 | 78 | 66 | 18 | 4-18 | 150 | 250 | |
| 40 | 200 | 145 | 110 | 85 | 76 | 18 | 4-18 | 156 | 250 | |
| 50 | 220 | 160 | 125 | 100 | 88 | 20 | 4-18 | 172 | 350 | |
| 65 | 250 | 180 | 145 | 120 | 110 | 22 | 8-18 | 197 | 350 | |
| 80 | 280 | 195 | 160 | 135 | 121 | 22 | 8-18 | 222 | 450 | |
| 100 | 320 | 230 | 190 | 160 | 150 | 24 | 8-23 | 253 | 450 | |
| 125 | 400 | 270 | 220 | 188 | 176 | 28 | 8-25 | 275 | 600 | |
| 150 | 400 | 300 | 250 | 218 | 204 | 30 | 8-25 | 286 | 800 | |
| 200 | 550 | 375 | 320 | 282 | 260 | 38 | 12-30 | 340 | 1200 | |
| 6.4MPa | 15 | 165 | 105 | 75 | 55 | 40 | 18 | 4-14 | 105 | 140 |
| 凹凸法兰 MFM Q41F Q41PPL 64 64P 64R | 20 | 190 | 125 | 90 | 68 | 51 | 20 | 4-18 | 125 | 160 |
| 25 | 216 | 135 | 100 | 78 | 58 | 22 | 4-18 | 135 | 250 | |
| 32 | 229 | 150 | 110 | 82 | 66 | 24 | 4-23 | 150 | 350 | |
| 40 | 241 | 165 | 125 | 95 | 76 | 24 | 4-23 | 165 | 350 | |
| 50 | 292 | 175 | 135 | 105 | 88 | 26 | 4-23 | 175 | 450 | |
| 65 | 330 | 200 | 160 | 130 | 110 | 28 | 8-23 | 200 | 450 | |
| 80 | 356 | 210 | 170 | 140 | 121 | 30 | 8-23 | 210 | 600 | |
| 100 | 432 | 250 | 200 | 168 | 150 | 32 | 8-25 | 250 | 700 | |
| 125 | 508 | 295 | 240 | 202 | 176 | 36 | 8-30 | 295 | 1100 | |
| 150 | 559 | 340 | 280 | 240 | 204 | 38 | 8-34 | 340 | 1500 |
| 球阀说明书 | 下载 |
|---|---|
| 球阀说明书-上海川沪阀门有限公司 | 点击下载 |