快盈v3

上海川沪阀门有限公司
真空球阀图片
阀体材质 WCB碳钢、304不锈钢、316不锈钢
公称通径 DN15~150mm
密封形式 聚四氟乙烯PTFE密封(-40~150℃)、对位聚苯PPL密封(-40~300℃)、合金钢H密封(-40~425℃)、硬质合金Y密封(-40~425℃)
驱动形式 手柄、蜗轮、电动、气动、液动等
行业应用 应用于 医疗器械、太阳能、清洗设备、食品机械、燃烧器、焊接切割、消防安全、生物制药、机械制造等行业等

真空球阀 型号:GU

真空球阀GU系列球阀是在1.3×10-7~6×105Pa的真空系统中用来开启或隔断气流的阀门,广泛适用各类气体,液体等正、负压力管道系统,符合GMP标准。

执行机构选型
快盈v3 真空球阀通过支架和联轴器和电动执行机构和气动执行机构连接,组成,电动真空球阀(开关型和调节型控制信号4-20mA)和气动真空球阀(开关型和调节型控制信号4-20mA)

真空球阀 零部件参数

零部件 材质
泄漏率 ≤1.3*10^-6 Pa.L/S
适用温度 -29~150℃
安装位置 任意
压力范围 1.3×10-7Pa~6×105Pa

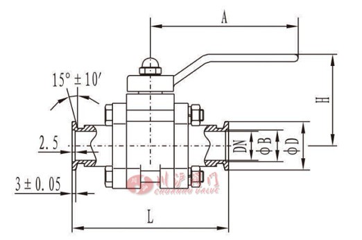
真空球阀快卸法兰(KF)连接及外形尺寸(GB4982) 结构图

真空球阀结构图

真空球阀快卸法兰(KF)连接及外形尺寸(GB4982) 安装尺寸

型号 通径
(DN)
φD φB H L A
GU-10/KF 10 30 12.2 60 92 120
GU-16/KF 16 30 17.2 62 100 120
GU-25/KF 25 40 26.2 75 114 150
GU-40/KF 40 55 41.2 115 165 200
GU-50/KF 50 75 52.2 125 175 221

真空球阀活套法兰连接及外形尺寸(GB/T6070) 结构图

真空球阀结构图

真空球阀活套法兰连接及外形尺寸(GB/T6070) 安装尺寸

型号 通径
(DN)
φD φB H L A n-φC
GU-10 10 55 40 60 92 120 4-6.5
GU-16 16 60 45 62 100 120
GU-20 20 65 50 73 114 150
GU-25 25 70 55 75 114 150
GU-32 32 90 70 93 140 180 4-9
GU-40 40 100 80 115 165 200
GU-50 50 110 90 125 175 221
GU-63 63 130 110 166 186 230
GU-80 80 145 125 175 198 290 8-9
GU-100 100 165 145 189 220 260
GU-125 125 200 175 232 266 360 8-ll
GU-150 150 225 200 250 296 400
GU-200 200 285 260 306 390 620 12-12
由于产品改进技术创新参数可能有一定变化,公司不另行通知,请联系我司和索要真空球阀产品详细样本。
  • 内螺纹球阀
  • 球阀
    内螺纹球阀(材质不锈钢、内螺纹连接、高平台球阀、带手柄)
  • 超薄球阀
  • 球阀
    超薄球阀(材质不锈钢、法兰连接、超薄式球阀、带手柄)
  • 法兰球阀
  • 球阀
    法兰球阀(材质不锈钢、法兰连接、国标尺寸、带手柄)
  • 高压球阀
  • 球阀
    高压球阀(材质A105、锻造、二段式球阀、带手柄)
  • 三通保温球阀
  • 球阀
    三通保温球阀(材质不锈钢、法兰连接、保温型、带手柄)
  • V型球阀
  • 球阀
    V型球阀(材质碳钢、法兰连接、耐磨型、带安装支架)
  • 三片式焊接球阀
  • 球阀
    三片式焊接球阀(材质不锈钢、三片式、对焊连接、带手柄)
  • 三片式法兰球阀
  • 球阀
    三片式法兰球阀(材质不锈钢、法兰连接、三片式、带手柄)

真空球阀 订货流程

  • 客户来电咨询:021-5186 3046
  • 客户采购清单传真至:021-5186 3049
  • 收到客户采购清单,为客户提供阀门型号选型与报价单

真空球阀 订货须知

  • 公称通径
  • 公称压力
  • 连接方式
  • 执行机构有无特殊要求(可以根据客户要求配置)
  • 工艺介质及状态
  • 阀前压力、阀后压力
  • 大、正常、小流量
  • 使用温度
  • 有无特殊要求
快盈v3