快盈v3

上海川沪阀门有限公司
立式止回阀图片

立式止回阀 型号:H42H

快盈v3 立式止回阀是一种阀瓣沿着阀体垂直中心线滑动的止回阀,法兰升降式止回阀只能安装在垂直管道上,它的流体阻力系数较大,但密封性较旋启式止回阀好。

执行标准
快盈v3 设计规范:GB/T 12233 结构长度:GB/T 12221 连接法兰:JB/T 79,HG20592,GB9113,ANSI 试验与检验:JB/T 9092,GB/T13927 压力-温度:GB/T 9131 产品标识:GB/T 12220

立式止回阀 技术参数

公称压力(MPa) 1.6 2.5 4.0
密封试验压力(MPa) 1.76 2.75 4.4
壳体试验压力(MPa) 2.4 3.75 6.0
适用温度(℃) WCB≤350,304/316≤200
材料 阀体 WCB,304,316
阀座 WCB,304,316
阀瓣 WCB,304,316
密封圈 合金钢,司太立
垫片 石墨,聚四氟乙烯

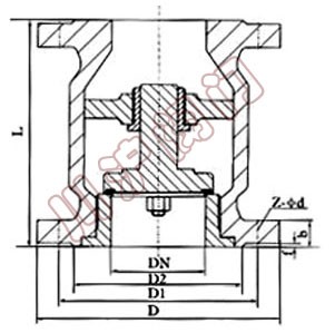
立式止回阀 结构图

立式止回阀结构图

立式止回阀 外形尺寸

公称压力 公称通径
DN
尺寸
L D D1 D2 b Z-Φ
系列1 系列2

1.6MPa

2.5MPa

4.0MPa

15 85 85 95 65 45 16 4-Φ14
20 95 95 105 75 55 16 4-Φ14
25 100 105 115 85 65 16 4-Φ14
32 105 150 135 100 78 16 4-Φ14
40 115 160 145 110 88 18 4-Φ14
50 125 170 160 125 100 20 4-Φ14
65 145 180 180 145 120 22 8-Φ18
80 155 200 195 160 135 22 8-Φ18
100 210 210 230 190 160 24 8-Φ23
125 275 275 275 220 188 28 8-Φ25
150 225 300 300 250 218 30 8-Φ25
200 380 380 360 310 278 34 12-Φ25
由于产品改进技术创新参数可能有一定变化,公司不另行通知,请联系我司和索要立式止回阀产品详细样本。

立式止回阀 订货流程

  • 客户来电咨询:021-5186 3046
  • 客户采购清单传真至:021-5186 3049
  • 收到客户采购清单,为客户提供阀门型号选型与报价单

立式止回阀 订货须知

  • 公称通径
  • 公称压力
  • 连接方式
  • 执行机构有无特殊要求(可以根据客户要求配置)
  • 工艺介质及状态
  • 阀前压力、阀后压力
  • 大、正常、小流量
  • 使用温度
  • 有无特殊要求
快盈v3

  • 升降式止回阀
  • 升降式止回阀
    升降式止回阀(材质不锈钢、法兰连接、适用于水、蒸汽、油品、硝酸、强氧化性等介质)
  • 旋启式止回阀
  • 旋启式止回阀
    旋启式止回阀(材质不锈钢、法兰连接、适用于水、蒸汽、油品、硝酸、强氧化性等介质)
  • 保温止回阀
  • 保温止回阀
    保温止回阀(材质不锈钢、高压、锻造不锈钢、法兰连接、适合需要保温的介质使用)
  • 蝶式止回阀
  • 蝶式止回阀
    蝶式止回阀(阀体材质不锈钢、对夹式连接、适合水、气体等场合使用)
  • 单瓣止回阀
  • 单瓣止回阀
    单瓣止回阀(阀体材质不锈钢、对夹式连接、单瓣式)
  • 锻钢止回阀
  • 锻钢止回阀
    锻钢止回阀(材质A105,锻打、法兰连接、高压)
  • 锻打不锈钢止回阀
  • 锻打不锈钢止回阀
    锻打不锈钢止回阀(阀体材质不锈钢、法兰连接、高压)
  • 锻打螺纹止回阀
  • 锻打螺纹止回阀
    锻打螺纹止回阀(阀体材质不锈钢、内螺纹连接)
止回阀说明书 下载