快盈v3

上海川沪阀门有限公司
升降式法兰止回阀图片

升降式法兰止回阀 型号:H41W/H41H

快盈v3 升降式法兰止回阀,连接方式法兰式,止回阀又称单向阀或逆止阀,其作用是防止管路中的介质倒流。启闭件靠介质流动和力量自行开启或关闭,以防止介质倒流的阀门叫止回阀。止回阀属于自动阀类,主要用于介质单向流动的管道上,只允许介质向一个方向流动,以防止发生事故。本类阀门在管道中一般应当水平安装。

使用范围
快盈v3 升降式法兰止回阀适用于水、蒸汽、油品、硝酸、醋酸、强氧化性介质及尿素等多种介质。主要用于石油、化工、制药、化肥、电力等管路上。

升降式法兰止回阀 技术参数

型号 H41H-16C~100 H41Y-16C~100 H41W-16P~100
工作压力(MPa) 1.6~10.0
适用温度(℃) ≤425 ≤150
适用介质 水、蒸汽、油品 弱腐蚀性介质
材料 阀体、阀盖 碳钢 铬镍钛不锈钢
密封面 堆焊铬不锈钢 堆焊硬质合金 铬镍钛不锈钢
垫片 钢带石墨参缠绕 聚四氟乙烯

升降式法兰止回阀 结构图

升降式法兰止回阀结构图

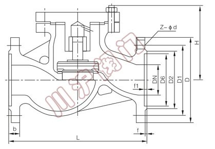
升降式法兰止回阀 外形尺寸

公称通径 主要外形尺寸和连接尺寸
L D D1 D2 b Z-d H
H41H-16CH41W-16CH41W-16PH41W-16RH41W-16I
15 130 95 65 45 14 4-14 77
20 150 105 75 55 14 4-14 77
25 160 115 85 65 14 4-14 80
32 180 135 100 75 16 4-18 85
40 200 145 110 85 16 4-18 95
50 230 160 125 100 16 4-18 105
65 290 180 145 120 18 4-18 120
80 310 195 160 135 20 8-18 130
100 350 215 180 155 20 8-18 140
125 400 245 210 185 22 8-18 155
150 480 280 240 210 24 8-23 180
200 600 335 295 265 26 12-23 215
250 730 405 355 320 30 12-25 260
300 850 460 410 375 34 12-25 315
H41H-25CH41W-25CH41W-25PH41W-25RH41W-25I
15 130 95 65 45 16 4-14 100
20 150 105 75 55 16 4-14 105
25 160 115 85 65 16 4-14 120
32 180 135 100 78 18 4-18 130
40 200 145 110 85 18 4-18 135
50 230 160 125 100 20 4-18 149
65 290 180 145 120 22 8-18 160
80 310 195 160 135 22 8-18 169
100 350 230 190 160 24 8-23 194
125 400 270 220 180 28 8-25 222
150 480 300 250 218 30 8-25 255
200 600 360 310 278 34 12-25 305
250 730 425 370 332 36 12-30 355
300 850 485 430 390 40 16-30 410
由于产品改进技术创新参数可能有一定变化,公司不另行通知,请联系我司和索要升降式法兰止回阀产品详细样本。

升降式法兰止回阀 订货流程

  • 客户来电咨询:021-5186 3046
  • 客户采购清单传真至:021-5186 3049
  • 收到客户采购清单,为客户提供阀门型号选型与报价单

升降式法兰止回阀 订货须知

  • 公称通径
  • 公称压力
  • 连接方式
  • 执行机构有无特殊要求(可以根据客户要求配置)
  • 工艺介质及状态
  • 阀前压力、阀后压力
  • 大、正常、小流量
  • 使用温度
  • 有无特殊要求

  • 升降式止回阀
  • 升降式止回阀
    升降式止回阀(材质不锈钢、法兰连接、适用于水、蒸汽、油品、硝酸、强氧化性等介质)
  • 旋启式止回阀
  • 旋启式止回阀
    旋启式止回阀(材质不锈钢、法兰连接、适用于水、蒸汽、油品、硝酸、强氧化性等介质)
  • 保温止回阀
  • 保温止回阀
    保温止回阀(材质不锈钢、高压、锻造不锈钢、法兰连接、适合需要保温的介质使用)
  • 蝶式止回阀
  • 蝶式止回阀
    蝶式止回阀(阀体材质不锈钢、对夹式连接、适合水、气体等场合使用)
  • 单瓣止回阀
  • 单瓣止回阀
    单瓣止回阀(阀体材质不锈钢、对夹式连接、单瓣式)
  • 锻钢止回阀
  • 锻钢止回阀
    锻钢止回阀(材质A105,锻打、法兰连接、高压)
  • 锻打不锈钢止回阀
  • 锻打不锈钢止回阀
    锻打不锈钢止回阀(阀体材质不锈钢、法兰连接、高压)
  • 锻打螺纹止回阀
  • 锻打螺纹止回阀
    锻打螺纹止回阀(阀体材质不锈钢、内螺纹连接)
止回阀说明书 下载